Spectrum-совместимые компьютеры «Байт»,«Байт-01» и прочие раритеты

4 / 6 414

Старый вариант компьютера «Байт»

Компьютер «Байт» выпускался в двух вариантах. Первые 7600 машин отличались от всей остальной партии. Это так называемый «старый» вариант «Байта». Эта первая партия «Байтов» выпускалась с 1989 и примерно до конца 1990 года.

В документации и литературе о нём почти ничего не упоминается, кроме одного абзаца из руководства по эксплуатации КВУ (для Байт-01):

   Для обеспечения работы ПЭВМ «Байт» с заводскими номерами
до 7600 включительно с КВУ, КВУ.01, КВУ.02 необходимо произ-
вести следующую доработку ПЭВМ «Байт»:
   1) снять верхнюю крышку с ПЭВМ и вынуть системную плату;
   2) подрезать (отсоединить от печатной платы) 6-ую ножку
микросхемы КР1533ИД7 (или К555ИД7), которая расположена между
процессором Z80A (или UA880) и ПЗУ К573РФ4Ф (или КР573РФ6А, или
2764);
   3) к этой ножке подпаять резистор с сопротивлением прибли-
зительно 3 КОм и провод, второй конец которого запаять на контакт
B12 системного разъёма. На 2-ой вывод резистора подать +5В (можно
подпаять его к 16-ой ножке этой же микросхемы);
   4) собрать ПЭВМ «Байт» в обратном порядке, не устанавливая
заглушку на системный разъём.
   Данная доработка производится мастерской по ремонту ПЭВМ «Байт»
   ПРИ САМОСТОЯТЕЛЬНОМ ПРОВЕДЕНИИ ДОРАБОТКИ ВЫ ЛИШАЕТЕСЬ ПРАВА
НА ГАРАНТИЙНОЕ ОБСЛУЖИВАНИЕ ПЭВМ «БАЙТ».

Из вышесказанного ясно, что в старом варианте «Байта» отсутствует возможность отключения ПЗУ, из-за чего нельзя без доработок компьютера подключать контроллер дисковода.

Внешние отличия

Внешне «старый» Байт и обычный Байт ничем не отличаются:

Старый вариант компьютера «Байт»
Старый вариант компьютера «Байт»
Новый вариант компьютера «Байт»
Новый вариант компьютера «Байт»
Старый вариант компьютера «Байт»
Новый вариант компьютера «Байт»

Различия начинаются после разборки компьютера. Если сравнить платы «старого» и обычного Байта, в глаза бросается их разная компоновка:

Плата обычного Байта
Плата обычного Байта
Плата «старого» Байта
Плата «старого» Байта
Плата обычного Байта
Плата «старого» Байта

Видно, что в «старом» Байте часть дорожек расположена на верхней стороне платы, в то время как в обычном Байте почти все дорожки спрятаны во внутренних слоях платы. Также в «старом» Байте полностью отсутствуют позиционные обозначения элементов на плате. На плате «старого» Байта виден белый провод доработки для подключения контроллера дисковода. Проводом МГТФ сделана доработка для инверсии синхросигнала, но об этом позже.

В «старом» Байте ВЧ-модулятор расположен настолько близко к краю платы, что вкрутить винт крепления платы к корпусу весьма затруднительно, при этом отвёртка задевает за проходной конденсатор на корпусе модулятора и может сломать его. В «новом» Байте модулятор отодвинут от края платы.

Расположение ВЧ-модулятора в старом Байте
Расположение ВЧ-модулятора в старом Байте
Расположение ВЧ-модулятора в новом Байте. Видно, что модулятор сдвинут вниз
Расположение ВЧ-модулятора в новом Байте. Видно, что модулятор сдвинут вниз
Расположение ВЧ-модулятора в старом Байте
Расположение ВЧ-модулятора в новом Байте. Видно, что модулятор сдвинут вниз

Платы клавиатуры имеют гораздо меньше отличий:

Плата клавиатуры обычного Байта
Плата клавиатуры обычного Байта
Плата клавиатуры «старого» Байта
Плата клавиатуры «старого» Байта
Плата клавиатуры обычного Байта
Плата клавиатуры «старого» Байта

В обычном Байте у некоторых переходных отверстий есть что-то типа «окантовки» из печатных дорожек, в то время как в «старом» Байте такого нет. Ну и с позиционными обозначениями элементов та же самая беда, что и для основной платы - их попросту нет. В остальном платы клавиатуры ничем не отличаются.

Зато есть различия в распиновке разъёмов для подключения клавиатуры - в старом «Байте» контакты на плате компьютера соединены с контактами на плате клавиатуры «один в один», в то время как в новом «Байте» соединение «зеркальное» - наоборот:

Подключение клавиатур в старом и новом Байтах (картинка увеличивается при клике мышкой)
Подключение клавиатур в старом и новом Байтах (картинка увеличивается при клике мышкой)
Подключение клавиатур в старом и новом Байтах (картинка увеличивается при клике мышкой)

Платы как «старого», так и обычного Байта восьмислойные:

Плата обычного Байта
Плата обычного Байта
Плата «старого» Байта
Плата «старого» Байта
Плата обычного Байта
Плата «старого» Байта

Из конфигурации разъёмов видно, что в «старом» Байте RGB-выход выполнен на 5-контактном разъёме, в то время как в обычном Байте RGB-разъём 7-контактный:

RGB-выход обычного Байта
RGB-выход обычного Байта
RGB-выход «старого» Байта
RGB-выход «старого» Байта
RGB-выход обычного Байта
RGB-выход «старого» Байта

При этом если в обычном Байте плата разведена под установку как 7-контактного разъёма, так и для 5-контактного, то в «старом» Байте RGB-выход только 5-контактный:

RGB-выход обычного Байта. Вместо 7-контактного разъёма установлен 5-контактный
RGB-выход обычного Байта. Вместо 7-контактного разъёма установлен 5-контактный
RGB-выход «старого» Байт
RGB-выход «старого» Байт
RGB-выход обычного Байта. Вместо 7-контактного разъёма установлен 5-контактный
RGB-выход «старого» Байт

Конечно, иногда попадаются обычные Байты с 5-контактным разъёмом RGB, но его туда ставили исключительно от бедности. В «старом» же Байте 5-контактный разъём на RGB-выход установлен сознательно. Самое неприятное заключается в том, что при этом на разъём не попадает сигнал яркости, таким образом при подключении «старого» Байта через RGB можно увидеть только 8 цветов. Справедливости ради отмечу, что яркостной сигнал используется в SECAM-кодере «старого» Байта, т.е. при его подключении через антенный вход телевизора будут видны все 15 цветов.

В «старом» Байте в линейке памяти (#4000-#7FFF) стоят "половинки" РУ5-х (КР565РУ5Д1 или КР565РУ5Д2) ёмкостью по 32КБит.

«Нижняя» область памяти #4000-#7FFF в «старом» Байте выполнена на «отбраковке» КР565РУ5Д1(2)
«Нижняя» область памяти #4000-#7FFF в «старом» Байте выполнена на «отбраковке» КР565РУ5Д1(2)
«Нижняя» область памяти #4000-#7FFF в «старом» Байте выполнена на «отбраковке» КР565РУ5Д1(2)

В зависимости от используемого типа «отбраковки» перемычка K1-K2-K3 должна была ставиться как K1-K2 для КР565РУ5Д1 и K1-K3 для КР565РУ5Д2. Всё дело в том, что в зависимости от типа микросхемы-«отбраковки» Д1 или Д2 в ней были работоспособны либо нижние 32КБит памяти, либо верхние 32КБит. Соответственно перемычка K1-K2-K3 отвечала за работу с верхними или нижними половинками РУ5-х.

Что касается обычного Байта, то в нём аналогичная линейка ОЗУ была выполнена на КР565РУ6 или даже на КР565РУ5.

Линейка ОЗУ на КР565РУ6 в обычном Байте
Линейка ОЗУ на КР565РУ6 в обычном Байте
Линейка ОЗУ на КР565РУ5 в обычном Байте
Линейка ОЗУ на КР565РУ5 в обычном Байте
Линейка ОЗУ на КР565РУ6 в обычном Байте
Линейка ОЗУ на КР565РУ5 в обычном Байте

Для обычного Байта положение перемычки K1-K2-K3 особой роли не играет и обычно она установлена как K1-K2.

Ещё отличием «старого» Байта от обычного является разный состав программного обеспечения на прилагающихся кассетах, об этом всё расписано в отдельной статье.

Плату «старого» Байта можно увидеть в книге «Знакомьтесь, компьютер Байт»:

Рисунок платы «Байта» из книги «Знакомьтесь, компьютер Байт» как раз соответствует расположению элементов на плате старого «Байта»
Рисунок платы «Байта» из книги «Знакомьтесь, компьютер Байт» как раз соответствует расположению элементов на плате старого «Байта»
Рисунок платы «Байта» из книги «Знакомьтесь, компьютер Байт» как раз соответствует расположению элементов на плате старого «Байта»

Потом «Байт» усовершенствовали, а иллюстрацию в книге поменять забыли :)

Схема подключения джойстика отличается от более новой модификации «Байта»! Подробнее об этом написано в разделе «джойстики».

ПЗУ

ПЗУ в старом Байте идентично более поздним модификациям компьютера. Исключение составляет микросхема DD10 (КР556РТ5). Её содержимое несколько отличается от более поздних версий Байтов.

Прошивки ПЗУ для старого «Байта» можно скачать в конце этой страницы.

Глюки в «старом» Байте

Компьютеры «старой» версии имели несколько характерных «глюков»:


Невозможность подключения контроллера дисковода. Об этом уже говорилось в начале статьи. Повторюсь - в «старом» Байте нет возможности отключения ПЗУ компьютера внешними устройствами. Однако эта проблема решается путём простой доработки:

Доработка старой версии Байта для работы с контроллером дисковода

На фотографии выше белым проводом сделана доработка компьютера для работы с контроллером дисковода. Для доработки требуется один провод и один резистор.


Второй глюк - неверная полярность синхросигнала на RGB-выходе, из-за чего многие модели телевизоров не хотели работать с компьютером. По этому случаю в журнале «Радиолюбитель. Ваш компьютер» даже опубликовали статью.

Изображение со «старого» Байта без доработки сигнала «синхро»

Для сравнения:

Формирование сигнала SYNC в компьютере Байт новой модификации

Формирование сигнала SYNC в компьютере Байт старой модификации

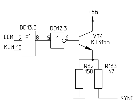
Как видно, в «новом» Байте учли недоработку с сигналом SYNC и поставили инвертор. Для «старого» Байта в роли инвертора можно использовать свободный элемент микросхемы DD12:

Формирование правильного сигнала SYNC в компьютере Байт старой модификации

Помимо добавления инвертора имеет смысл немного изменить сопротивления резисторов R62 и R163 для лучшей работы выходного каскада на низкоомную нагрузку.

Так выглядит доработка прямо на плате компьютера:

Доработка для правильного формирования сигнала SYNC в компьютере Байт старой модификации


Третий глюк - на RGB выход выведены сигналы без учёта яркости. В «новых» Байтах эту недоработку исправили установкой 7-контактного разъёма для RGB и вывели яркостной сигнал на 7-й контакт разъёма.


Самый серьёзный и неприятный глюк - совершенно нестандартный сигнал INT. Он не совпадает ни с фирменным INT, ни с сигналом INT компьютера Pentagon, короче, вообще не с чем не совпадает. Из-за этого в демках неправильный мультиколор.

Для наглядности я взял демку под названием «Sixth DEMO» и запустил её на «старом» и на «новом» Байтах:

Работа «Sixth DEMO» на «старом» Байте

Работа «Sixth DEMO» на «новом» Байте

Как видно, результат «налицо» - в старом «Байте» мультиколор на бордюре не совпадает с мультиколором на основном экране.

Помимо глюков с мультиколорами в демках есть проблемы с тестами сигнала INT - они просто-напросто не понимают такого нестандартного сигнала и благополоучно подвисают. Такое наблюдается в тесте от Ковалевского и в тесте TEST4.30.

Возможно существуют ещё программы, где есть проблемы из-за сигнала INT.

Документация и прошивки

Прошивки всех ПЗУ компьютера «Байт» старой модификации (1989-1990г, серийные номера 1-7599)
ОТИБ.466214.001 РД Байт. Инструкция по ремонтуИнструкция актуальна как для новой, так и для старой версий компьютера Байт. Также в инструкции есть оригинальные заводские схемы нового и старого вариантов компьютера.