Spectrum-совместимые компьютеры «Байт»,«Байт-01» и прочие раритеты

12 / 19 036

Подключение компьютера "Байт" к SVGA, VGA мониторам

Использование платы конвертера GBS 8200

Как известно, напрямую подключить компьютер "Байт" к SVGA монитору никак нельзя. Частоты развёртки не те. Однако в последние годы стали доступны по цене китайские конвертеры видео семейства GBS (GBS 8000, 8200, 8220). Достаточно сделать заказ на Aliexpress, и через несколько недель конвертер ваш :)

Конвертер GBS 8200

Так вот, через этот конвертер можно подключить Байт к монитору. На плату достаточно подать сигналы RGB, синхро и GND. Однако есть небольшая проблема. Короче дело в том, что на конвертер, как и на телевизионный SCART, нужно подавать сигналы RGB с градациями яркости. В "Байте" сигналы RGB выведены без градаций, яркостной сигнал выводится отдельно на разъём RGB, не подмешиваясь к цветовым сигналам.

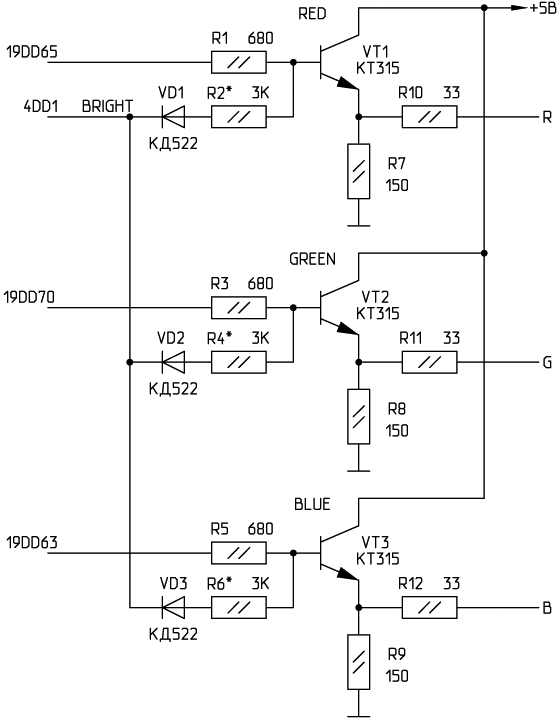
Я вас огорчу, но придётся паять. На практике мной опробована схема формирования двухуровневых цветовых сигналов из предыдущего раздела сайта:

Схема формирования RGB с градациями яркости для компьютера Байт

Встраиваем схему в компьютер, подаём сигналы RGB, SYNC, GND с выхода компьютера на конвертер, настраиваем качество изображения через экранное меню конвертера и наслаждаемся :)

Подключение сигналов от Байта к конвертеру GBS 8200

Конечно же конвертер не даёт идеального качества изображения, однако оно не хуже того, которое получается с выхода PAL-кодера.

Конвертер не имеет своего источника питания. В качестве блока питания я использовал ненужное зарядное устройство от мобилки. Оно выдаёт 5В при токе порядка 400 мА.

На изображении, выдаваемом конвертером, бывают помехи в виде белых точек. Эта проблема решается допайкой резистора и конденсатора.

Конвертер GBS 8200 с доработкой для избавления от белых точек на изображении
Конвертер GBS 8200 с доработкой для избавления от белых точек на изображении
Конвертер GBS 8200 с доработкой для избавления от белых точек на изображении

Немного статистики по плате GBS 8200

Китайский конвертер более капризный по сравнению с PAL-кодером, поэтому некоторые компьютеры, хорошо работающие с PAL-кодером, не "взлетят" при подключении к конвертору.

На практике, помимо "Байта", к китайскому конвертеру удалось успешно подключить компьютеры:
- Игровая приставка Эльф;

Не захотели работать с конвертером:
- Pentagon-128 (по другим сведениям конвертор можно заставить работать с "пентагоном", если "поиграться" с настройками конвертера).

Подключение при помощи платы RGB-VGA

Очень хорошие по качеству изображения результаты даёт подключение "Байта" к SVGA монитору при помощи платы RGB-VGA.

Плата RGB-VGA

Плата выпускается в нескольких вариантах как в виде готовых изделий, так и как конструктор для самостоятельной сборки. Из известных мне мест, где можно купить конструктор для сборки платы - zxkit.ru. Также можно поискать на барахолке ZX-PK.ru, там иногда можно найти готовые платы конвертера.

Плата RGB-VGA
Плата RGB-VGA
Плата RGB-VGA
Плата RGB-VGA
Плата RGB-VGA

Для подключения платы к компьютеру требуются следующие сигналы: RGB, яркостной сигнал (I), строчный синхроимпульс (SSI), кадровый синхроимпульс (KSI), 14МГц с тактового генератора (F14MHz) и питание (+5В, GND).

Назначение контактов разъёма платы RGB-VGA:

Назначение контактов разъёма и обозначение перемычек платы RGB-VGA
Назначение контактов разъёма и обозначение перемычек платы RGB-VGA
Назначение контактов разъёма и обозначение перемычек платы RGB-VGA

Назначение перемычек платы:

  • INVERSE_RBGI - инверсия кода цвета: ON - инвертировать, OFF - нет;
  • INVERSE_KSI - инверсия кадровых синхроимпульсов: ON - инвертировать, OFF - нет;
  • INVERSE_SSI - инверсия строчных синхроимпульсов: ON - инвертировать, OFF - нет;
  • INVERSE_F14MHZ - инверсия тактовых импульсов : ON - инвертировать, OFF - нет;
  • VGA_SCART - выбор сигнала на разъеме VGA: ON - для SCART, OFF - для VGA (в некоторых прошивках не используется);
  • SET_FK_IN - не используется;
  • SET_FK_OUT - установка выходной частоты кадров: ON - 50/48Гц, OFF - 60 Гц ( для прошивки V3.01 - 100 Гц);
  • Более подробно по плате, перемычкам, подключению к различным Спектрумам можно почитать тут.

    Плата требует входные сигналы с ТТЛ уровнями, поэтому вариант подключения платы прямо к RGB-выходу "Байта" отпадает. Придётся паять проводами прямо к плате компьютера:

  • R - берём с 19DD65;
  • G - берём с 19DD70;
  • B - берём с 19DD63;
  • I - берём с 4DD1;
  • KSI - берём с 10DD13;
  • SSI - берём с 9DD13;
  • F14MHZ - берём с 8DD1;
  • +5В и GND лучше всего подключить прямо к разъёму питания X7 (1X7 - +5В, 2,3X7 - GND);
  • Места подпайки для подключения платы RGB-VGA на плате "Байта":

    В качестве иллюстрации работы платы - фото изображения с монитора:

    Скриншот с монитора, подключенного через плату RGB-VGA

    Скриншот с монитора, подключенного через плату RGB-VGA

    Подключение при помощи платы RGB-VGA/HDMI от АлексЕкб

    RGB-VGA/HDMI адаптер
    RGB-VGA/HDMI адаптер
    RGB-VGA/HDMI адаптер
    RGB-VGA/HDMI адаптер
    RGB-VGA/HDMI адаптер

    На мой взгляд наиболее простой и удобный для сборки конвертер RGB to VGA/HDMI. Автор устройства - АлексЕкб.

    У разработчика есть свой канал на Youtube: https://www.youtube.com/@Alex_Ekb и телеграм-канал: http://t.me/rgb2vga_hdmi. Кроме того все обновления по адаптеру, новые прошивки и варианты плат можно найти на Github.

    Собрать такой адаптер может каждый, кто хоть как-то умеет держать в руках паяльник. Для сборки потребуются: плата Raspberry PICO, микросхема 74LVC245APW (корпус TSSOP-20), разъём VGA или HDMI, несколько резисторов, конденсаторов и печатная плата адаптера (гербер-файлы есть, можно заказать по ним платы или, например, попросить у кого-нибудь в телеграм-канале, который я указал выше). Даже если нет платы, адаптер можно собрать просто на макетке. Всю комплектацию можно неспешно заказать на Aliexpress. Там всё есть.

    Порядок подключения адаптера:

    1) Собираем адаптер.

    При сборке устанавливаем нужный разъём VGA или HDMI, и в зависимости от типа разъёма распаиваем по схеме резисторы нужного сопротивления и перемычки. В схеме всё описано что и как делать.

    2) Устанавливаем драйвер.

    Для Windows 10 драйвер автоматически устанавливается операционной системой. Для Windows 7 берём файл драйвера (pico-serial.inf) с GitHub. Перед установкой проверить, чтобы Hardware ID вашей платы Raspberry PICO совпадал с тем, ID, который указан в секции [Manufacturer] файла драйвера. Если надо, правим в драйвере IDs платы (в оригинале было VID_2E8A&PID_0005, я поправил на VID_2E8A&PID_000A - у меня плата была с таким IDs). После чего устанавливаем драйвер. После установки драйвера в системе появится новый виртуальный COM-порт (в моём случае это оказался COM16). Этот порт потом нужно будет указать в программе настройки.

    3) Загрузка прошивки.

    Для этого нужно отключить плату Raspberry PICO от USB, зажать на плате кнопочку (boot) и с зажатой кнопкой подключить USB кабель обратно. После подключения кабеля кнопку можно отпустить. Плата определится в Windows как дисковод. На этот "дисковод" нужно закинуть файл прошивки APPLICATION.uf2. После этого Raspberry PICO сама перезагрузится и начнет работать.

    Если на вход адаптера не подаётся сигнал, адаптер выводит на экран монитора горизонтальные разноцветные полосы:

    Цветные полосы при отсутствии входного сигнала

    Если вы увидели на данном этапе вышеприведенную картинку - значит всё в порядке, и адаптер собран правильно.

    4) Подключение к «Байту».

    - Вариант подключения №1 - Берём нужные сигналы прямо с платы «Байта»:

    Для подключения адаптера к «Байту» используются следующие сигналы:

  • R - берём с 19DD65;
  • G - берём с 19DD70;
  • B - берём с 19DD63;
  • I - берём с 4DD1;
  • KSI - не используется;
  • SSI - берём с 2DD19;
  • F - берём с 8DD10;
  • GND лучше всего подключить прямо к разъёму питания X7 (2,3X7 - GND);
  • +5В от адаптера пока не подключаем к «Байту»! Иначе при настройке адаптера мы объединим 5В с USB порта с 5В с блока питания от «Байта», и будут проблемы! +5В мы подадим с платы «Байта» уже после того, как настроим адаптер, в самом конце.
  • Никаких доработок компьютера «Байт» не потребуется. Достаточно припаять нужные сигналы от платы адаптера к плате «Байта» по следующей схеме:

    - Вариант подключения №2 - подключаемся к разъёму RGB.

    Сигналы RGB, I, SSI можно взять прямо с контактов RGB-выхода «Байта». Хотя эти сигналы в полной мере не могут соответствовать стандартам ТТЛ, входная микросхема 74LVC245 адаптера всё же может работать с этими сигналами.

    Сигнал +5В всё равно придётся брать с платы «Байта». Но возможен вариант, с отключением сигнала «Вых.НЧ» с разъёма RGB и подачей вместо него +5В.

    Остаётся сигнал F. Есть вариант его вообще не подавать на адаптер и использовать режим самосинхронизации. Однако при этом существует риск, что со временем качество изображения с адаптера может ухудшиться из-за рассинхронизации тактовых частот адаптера и «Байта». Я бы не рекомендовал такой вариант подключения.

    5) Настройка адаптера.

    Подключаем USB-кабель к Raspberry, включаем «Байт» и запускаем программу-настройщик адаптера - setupGUI.exe (программу можно скачать в архиве в самом конце этой страницы). Пример настроек программы в моём случае:

    Настройки адаптера для работы с компьютером «Байт»

    Кратко по пунктам:

    "Видеовыход" - указываем тот тип видеовыхода, разъём для которого запаян на плате адаптера.

    "Выбор порта" - указываем тот виртуальный COM-порт, который появился в системе после установки драйвера для Raspberry PICO.

    "Синхронизация" - в данном случае указать "синхросмесь" (при подключении синхросигнала мы взяли не раздельные синхроимпульсы, а всё вместе).

    "Длина КСИ" - подобрать по уверенному захвату изображения.

    "Источник пиксельклока" - в данном случае указать как "с 6 ноги Z80", т.к. мы используем 3,5МГц.

    "Смещение X" и "Смещение Y" - ползунками центрируем картинку с «Байта» относительно границ экрана монитора.

    "Задержка захвата" - подобрать по наиболее качественному изображению.

    "Инвертирование входных сигналов" - снимаем все "галочки", у нас сигналы не инверсные.

    Не забываем после каждого изменения параметров нажимать на кнопку "Применить". Исключение - "Смещение X" и "Смещение Y", при их изменении картинка на экране будет сдвигаться сразу же.

    5) Подключение питания +5В к адаптеру.

    После того, как настроили изображение, можно окончательно подключить +5В с платы «Байта» к адаптеру. Но после этого уже не подключаться по USB!

    !!! При некоторых конфигурациях настройки параметров захвата адаптер прекращает отзываться по COM порту, автор этот баг еще не пофиксил, но сделал обходной путь. Чтобы остановить процедуру захвата видео, нужно установить джампер между выводом 34 (GP28) Pico и GND. С джампером даже при неправильных настройках захвата плата отзывается по COM-порту и ее можно перенастроить.


    Ещё раз напомню, что я - не автор этого адаптера. В случае возникновения вопросов по работе адаптера лучше их задать в телеграм канале указан выше по тексту) или на Github. Кроме того там же можно найти новые прошивки и варианты адаптера.

    Видеоадаптер v2.0

    На основе схемы адаптера RGB-VGA/HDMI от АлексЕкб мной разработан адаптер для подключения «Байта» к CGA/EGA/VGA/HDMI мониторам и телевизорам. Описание этого адаптера вы можете найти в отдельной статье.

    Документация

    RGB-VGA/HDMI адаптер от АлексЕкб:
    Схема, герберы, описаниеВ архиве: схема, герберы для заказа печатных плат, драйвер, прошивка, программа для настройки.