Spectrum-совместимые компьютеры «Байт»,«Байт-01» и прочие раритеты

1 / 4 896

Джойстики для компьютера «Байт»

Джойстик с компьютером «Байт» не продавался, но его можно было купить отдельно. Вообще к «Байту» можно было подключить почти любой джойстик, естественно, с установкой нужного разъёма.

Куча джойстиков

Небольшая подборка джойстиков. Само собой разумеется, все они могли работатьРазумеется, при перепайке разъёма на «байтовский» стандарт. с «Байтом»:

Джойстики
Джойстики
Джойстики
Джойстики
Джойстики
Джойстики
Джойстики

Джойстики
Джойстики
Джойстики
Джойстики
Джойстики
Джойстики
Джойстики

Джойстики
Джойстики
Джойстики
Джойстики
Джойстики
Джойстики
Джойстики

Для подключения джойстика на плате «Байта» установлена 9-контактная вилка (по схеме - это СНП101-9ВП12, по факту обычно была установлена вилка РП15-9Ш):

Вилка СНП101-9ВП12 для подключения джойстика в компьютере «Байт»
Вилка СНП101-9ВП12 для подключения джойстика в компьютере «Байт»
Вилка СНП101-9ВП12 для подключения джойстика в компьютере «Байт»

Вилка РП15-9Ш

Следует обратить внимание, что нумерация выводов разъёмов СНП111 (РП15) и DB-9 (который используется чаще, чем отечественные СНП) отличается друг от друга:

Различная распиновка разъёмов DB9 и СНП101

Назначение контактов разъёмов для подключения джойстика на «старой» и «новой» модификациях «Байтов» несколько отличается друг от друга!

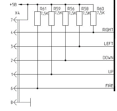
Джойстик на «старом» Байте (с серийными номерами 1-7599):

Распиновка джойстика для «старого» Байта

Как видно из схемы, джойстик работает при замыкании входов на лог.1 (контакт 8 разъёма). Активные уровни сигналов - высокие, в дальнейшем они через буфер на КР1533ИР22 подаются на шину данных.

Распиновка разъёма для подключения джойстика в компьютере «Байт» старой модификации (с серийными номерами до 7600)

С нумерацией контактов разъёма что-то непонятное: схема противоречит нумерации контактов на самом разъёме. Чтобы не запутаться можно использовать картинку выше, где я указал точное назначение контактов разъёма для подключения джойстика.

Итого для подключения джойстика к «старой» модификации «Байта» используем контакты Left,Right,Up,Down,Fire и замыкаем их на контакт, обозначенный как «+5В».

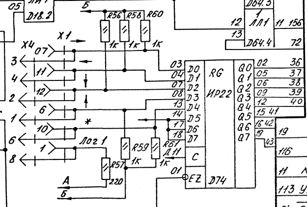
Джойстик на «новом» Байте (с серийными номерами от 7600 и выше):

Схема реализации порта джойстика в «новом» Байте:

Назначение контактов разъёма для подключения джойстика к Байту

Джойстик работает при замыкании входных сигналов на общий провод (GND, 8-й контакт разъёма). Отличия налицо. Активные входные уровни для джойстика - низкие (вместо высоких на «старом» Байте). Это потому, что если на «старом» Байте порт джойстика реализован на регистре КР1533ИР22 (без инверсии), то в «новом» Байте порт сделан на микросхеме КР1533АП3 (с инверсией сигналов на выходе), поэтому активные уровни поменялись.

Кроме этого на разъём дополнительно выведено питание +5В (без токоограничивающего резистора). Предположительно это сделано для возможности работы джойстиков с функцией Autofire. У этой реализации есть серьёзный минус: разъём для подключения джойстика выполнен в виде вилки с торчащими контактами. Несложно при помощи какого-нибудь токопроводящего предмета замкнуть два соседних контакта (7 и 8) разъёма, чтобы получить короткое замыкание по питанию +5В. Это может иметь печальные последствия для платы компьютера.

В инструкции к «Байту» с распиновкой разъёма джойстика творятся непонятные вещи (это вид на разъём, установленный в компьютере):

Назначение контактов разъёма для подключения джойстика к Байту

Cхема и рисунок из инструкции противоречат как друг другу, так и нумерации контактов на самом разъёме. Чтобы не запутаться можно использовать картинку ниже, где я указал точное назначение контактов разъёма для подключения джойстика.

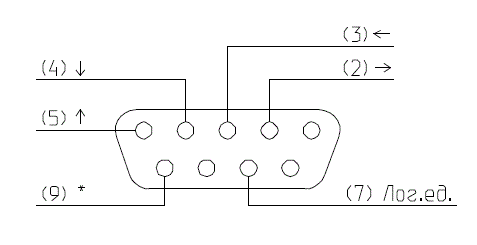
В реальности «распиновка» разъёма для подключения джойстика на комьютерах «Байт» новой модификации (с серийными номерами от 7600 и выше) такова:

Распиновка разъёма для подключения джойстика в компьютере «Байт» новой модификации (с серийными номерами от 7600 и выше)

Вероятнее всего рисунок в инструкции остался от старой модификации «Байта», где на разъём подаётся +5В (на рисунке обозначено как «Лог.ед»), хотя в реальности на «новых» байтах этот контакт разъёма подключен к GND, а +5В перенесено на контакт левее.

Ещё раз напомню: для подключения джойстика к «новой» модификации «Байта» используем контакты Left, Right, Up, Down, Fire и замыкаем их на GND (не на +5В)!

Джойстик «Веста ИМ-01»

Скачать:
Джойстик «Веста ИМ-01», руководство по эксплуатации