Spectrum-совместимые компьютеры «Байт»,«Байт-01» и прочие раритеты

3 / 6 196

Работа с магнитофоном на компьютере «Байт»

Конечно же я не могу описать весь спектр аппаратов, которые использовались для ввода игр с кассет. Я когда-то использовал магнитофон «Электроника 302-2М»:

Компьютер «Байт» с магнитофоном Электроника 302-2М
Компьютер «Байт» с магнитофоном Электроника 302-2М
Компьютер «Байт» с магнитофоном Электроника 302-2М

Виден даже процесс загрузки игры «Krakout», но, правда, не с магнитофона, а со звуковой карты компьютера. Но магнитофон полностью рабочий и верой и правдой служит мне :)

Однако чаще всего у нас с «Байтами» использовали магнитофоны семейства «Беларусь»:

Компьютер Байт с магнитофоном Беларусь-310 и телевизором Электроника-407
Компьютер Байт с магнитофоном Беларусь-310 и телевизором Электроника-407
Компьютер Байт с магнитофоном Беларусь-310 и телевизором Электроника-407

Магнитофонов «Беларусь» было несколько разновидностей, так что они удостоились отдельной статьи на сайте.

Для качественной работы со Спектрумом рекомендовали магнитофоны попроще, чтобы сигнал меньше искажался, проходя через звуковой тракт магнитофона.

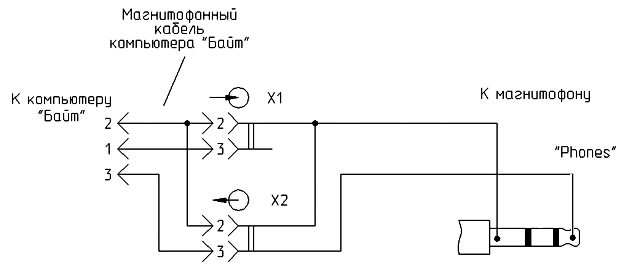
Магнитофонный шнур «Байта» рассчитан на использование совместно с магнитофонами, у которых вход и выход разнесены на разные разъёмы (например магнитофоны «Беларусь М-310С», «М-410С» и т.п.). Для работы с магнитофонами, у которых эти сигналы были сведены на один разъём, приходится паять переходник:

Переходник на магнитофонный шнур для компьютера «Байт» для подключения к магнитофонам через один соединитель
Переходник на магнитофонный шнур для компьютера «Байт» для подключения к магнитофонам через один соединитель
Переходник на магнитофонный шнур для компьютера «Байт» для подключения к магнитофонам через один соединитель

Схема переходника на магнитофонный шнур для компьютера «Байт»

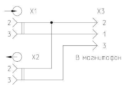
Если под рукой нет магнитофона советского производства, можно воспользоваться импортным магнитофоном без линейного выхода. В магнитофоне обычно есть выход звука на наушники, им можно воспользоваться для загрузки программ с кассет. Для этого надо спаять небольшой переходник к магнитофонному кабелю «Байта»:

Схема переходника на магнитофонный шнур для компьютера «Байт»

Конечно же с таким магнитофоном сигнал с «Байта» записать не получится, но загрузить игры с кассет - вполне.

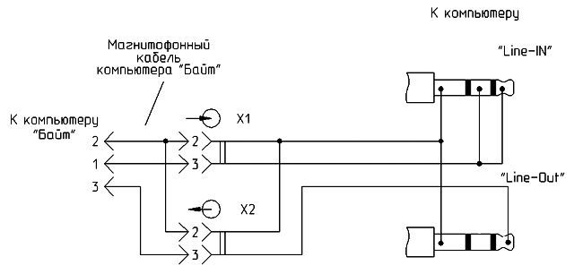
При наличии компьютера в качестве магнитофона можно использовать сам компьютер. Для этого паяется переходник к магнитофонному шнуру «Байта»:

Схема переходника на магнитофонный шнур для компьютера «Байт» для подключения к звуковой карте

Для загрузки программ в «Байт» можно просто сконвертировать tap или tzx-файлы в wav и проигрывать полученный файл любым звуковым проигрывателем (Winamp, например). Уровень громкости подбирается по уверенной загрузке программ на «Байте». Для записи сигнала с «Байта» можно использовать, например, программу Sound Forge. Ничего сложного.

Убираем звук из динамика «Байта» при загрузке программ

Некоторых пользователей раздражает, что при загрузке программ с ленты звук дублируется на встроенный динамик компьютера. Было решено разобраться как убрать это. По схеме компьютера видно, что это не аппаратная особенность - вход сигнала с ленты никак не сообщается со встроенным усилителем. Значит дело кроется где-то в ПЗУ «Байта».

В ходе сравнения дампов ПЗУ «Байта» и обычного Спектрума выяснилось, что есть отличие между программами LD_BYTES (по адресу #0556). Отличие было в подпрограмме LD_EDGE1 в двух байтах (в той части подпрограммы, где меняется цвет бордюра, что создаёт эффект полос):

В оригинальной прошивке Спектрума:

#05FD   AND %00000111 
        OR %00001000  
        OUT (#FE),A
        SCF
        RET

В ПЗУ «Байта»:

#05FD   AND %00001111
        OR %00010000
        OUT (#FE),A
        SCF
        RET

Скачать измененную прошивку DD72.

После замены этих двух байт в ПЗУ «Байта» на «нормальные» процедура загрузки с ленты стала работать как и положено - без звука на встроенный динамик. На совместимости эта доработка, по видимому, не отразилась - игры с Церикопиком грузятся нормально. Следует иметь в виду, что при использовании модифицированной прошивки ПЗУ не будет работать встроенный тест памяти - он будет зависать на этапе проверки контрольной суммы ПЗУ DD72.

А вот отключить звук во встроенном динамике при записи не получится. Дело в том, что встроенный усилитель (на микросхеме DD75.2) используется одновременно для усиления звука динамика «Байта» и для формирования сигнала записи на ленту. Чтобы убрать звук надо паять собственную схему формирования сигнала записи на ленту.

Эмулятор магнитофона

Если нет настоящего магнитофона или не хочется зря расходовать ресурс его механики, можно собрать себе «виртуальный» магнитофон на микроконтроллере. При этом он будет полностью соответствовать настоящему - будет воспроизводить и записывать сигнал со Спектрума.

Есть очень хорошая реализация такого магнитофона на микроконтроллере ATMega128:

Самодельный «магнитофон» для Спектрума
Самодельный «магнитофон» для Спектрума
Самодельный «магнитофон» для Спектрума

Сайт автора магнитофона: http://trolsoft.ru/ru/sch/zx-tapper

Обсуждение «магнитофона» на zx.pk.ru: http://zx-pk.ru/showthread.php?t=25622