Spectrum-совместимые компьютеры «Байт»,«Байт-01» и прочие раритеты

3 / 8 622

Компьютер «Балтик»

Балтик - Спектрум-совместимый компьютер, разработанный в конце 80-х годов.

Компьютер «Балтик»

Место разработки и полная география его распространения мне неизвестны, но компьютер был популярен в г. Минск благодаря кооперативу «Сонет» (о нём речь пойдёт ниже). Что касается года разработки, то встречались упоминания 1988 года в прошивках ПЗУ для Балтика, и на схеме контроллера дисковода стоит копирайт 1988 года.

Отличительные особенности «Балтика»:

  • небольшое количество микросхем (46 корпусов) благодаря использованию 4-х микросхем К155РЕ3 и КР556РТ4, которые позволили «сэкономить» на корпусах мелкой логики;
  • нестандартная для Спектрума тактовая частота процессора (4МГц против 3,5МГц в «обычном» Спектруме);
  • наличие встроенного параллельного порта на КР580ВВ55, что облегчало подключение принтера и дополнительной периферии;
  • наличие дополнительных возможностей таких как включение вместо ПЗУ свободной области ОЗУ, переключение местонахождения в памяти экранной области;
  • наличие программного обеспечения, которое использовало все эти дополнительные возможности;
  • отсутствие в схеме компьютера нормального видеовыхода; предполагалось, что пользователь сам должен выбрать каким образом он будет подключать Балтик к телевизору или монитору и соответственно сам должен был спаять каскады видеовыхода на специально оставленном на плате монтажном поле. Однако компьютеры, производимые кооперативом «Сонет», уже имели нормальный видеовыход;
  • большую часть резисторов предполагается монтировать навесным монтажом.
  • Немного истории

    Раздел составлен по воспоминаниям нескольких человек, работавших в кооперативе «Сонет» + мои личные наблюдения. Внимание! Приведенные даты могут быть неточными (в конце-концов прошло уже столько лет...)

    В Минске компьютеры «Балтик» выпускались примерно с 1988 года кооперативом «Сонет». Одним из учредителей кооператива был Борейшо (его статьи по «Балтику» публиковались в журнале «Радиолюбитель»). Точка продаж «Балтиков» находилась по ул.Амурская. Производство «Балтиков» было расположено в здании школы по ул.Я.Мавра.

    Ранние «Балтики» выпускались в корпусе называемом «каблук» (со встроенным источником питания):

    «Балтик»
    «Балтик»
    «Балтик»

    Позже «Балтики» стали производиться в плоском корпусе с внешним источником питания:

    Типичный «Балтик» производства кооператива «Сонет» (с внешним источником питания)
    Типичный «Балтик» производства кооператива «Сонет» (с внешним источником питания)
    Типичный «Балтик» производства кооператива «Сонет» (с внешним источником питания)
    Типичный «Балтик» производства кооператива «Сонет» (с внешним источником питания)
    Типичный «Балтик» производства кооператива «Сонет» (с внешним источником питания)

    Кооперативом выпускались компьютеры «Балтик» нескольких модификаций:

  • Просто «Балтик» - обычный 48К компьютер с возможностью работы с магнитофоном;
  • «Балтик+» - компьютер с дисководом, работал под управлением системы Disk Monitor;
  • «Балтик++» - то же самое, что и «Балтик+», но помимо Disk Monitor он мог работать в системе CP/M;
  • «Балтик+2» - в отличие от предыдущего имел в комплекте принтер;
  • «Балтик+3» - вдобавок к принтеру был с двумя дисководами;
  • «Балтик+4» - то же самое, что и «Балтик+3», но без принтера.
  • Модели с CP/M не пользовались спросом (экзотичность, цена). Примерно их было выпущено от 50 до 100 штук.

    По заявкам от покупателей кооперативом изготавливались «Балтики» с TR-DOS. По неточным данным контроллер дисковода был универсальным - мог работать как в TR-DOS, так и с CP/M.

    В производстве были заняты две женщины (пайка плат), два или три монтажника, два наладчика и один разработчик периферии.

    Платы судя по всему заказывались на Минском заводе печатных плат (кто в курсе, если я ошибся, поправьте). Иногда платы попадались с дефектами (в основном мелкие разрывы проводников).

    Один раз попалась партия плохо запускающихся плат (то работают, то нет, то сразу запускаются, а потом глючат, или наоборот - сначала глючат, а спустя некоторое время начинают работать нормально). После долгих стараний настройщиков часть плат удалось привести в рабочий вид и продать, остальные ушли в разборку.

    ПЗУ для «Балтика» (РЕ3, РТ4 и РФ-ки) прошивались на месте на самопальном программаторе, подключенном к «Балтику». Термопрогонка для РТ4 и РЕ3 делалась путём установки ПЗУ в плату компьютера и выдерживанием во включенном состоянии в течение двух суток.

    РФ-ки с прошивкой CP/M на первых порах имели защиту от копирования в виде «плавающих» битов. Немного позже защиту убрали в связи с проблемами при запуске компьютеров в CP/M.

    «Балтики» изготавливались кооперативом примерно до 1995-1996 годов.

    Помимо готовых изделий кооператив «Сонет» продавал отдельно пустые платы для самостоятельной сборки «Балтика», корпуса компьютеров, платы контроллера дисковода, прошитые ПЗУ и дискеты с CP/M для того же Балтика.

    Платы для самостоятельной сборки «Балтика»
    Платы для самостоятельной сборки «Балтика»
    Платы для самостоятельной сборки «Балтика»
    Платы для самостоятельной сборки «Балтика»
    Платы для самостоятельной сборки «Балтика»

    Также платы для сборки «Балтика» можно было в то время купить на местном радиорынке.

    В Беларуси производством Балтика занимался не только «Сонет». Мне точно известно, что в Гродно в середине 90-х годов один частник собирал «Балтики» как с CP/M, так и с контроллером Beta Disk.

    Кроме кооператива «Сонет» производством (пайкой, наладкой, сборкой) «Балтиков» в Минске в период примерно 1990-1995 годов занималась масса студентов Минского Радиотехнического Института, да и просто многие любители-самодельщики (учащиеся других ВУЗов, техникумов, просто радиолюбители) по всей Беларуси. На Минском радиорынке в эти годы всегда были в наличии платы для сборки «Балтиков», все необходимые микросхемы, прошитые ПЗУ, корпуса для сборки (наиболее удачным в этом плане представляется корпус от Интера/Кванта), платы для клавиатур, сделанные под герконовые кнопки от ЕС1840/41 (опять же, лучший вариант клавиатуры для того времени), различные варианты для блоков питания, дисководы, контроллеры дисководов и т.д и т.п. В одном только МРТИ одновременно обучались тысячи студентов - конечно, не все они собирали «Балтики», но многие из них собрали больше одного экземпляра, а некоторые и вовсе участвовали в «мелкосерийном-неофициальном» производстве компьютеров и периферии.

    Помню, что в 1996 году будучи на 1-м курсе БГУИР купил за 5$ (по тем временам нормальные деньги) «Балтик», собранный одним из студентов ВУЗа.

    Буду рад любой проверенной информации кооперативу «Сонет». Если есть что сказать, пишите мне

    Небольшая подборка различных «Балтиков»

    Типичный «Балтик» производства кооператива «Сонет»
    Типичный «Балтик» производства кооператива «Сонет»
    Типичный «Балтик» производства кооператива «Сонет»
    Типичный «Балтик» производства кооператива «Сонет»
    Типичный «Балтик» производства кооператива «Сонет»

    Плата крупным планом
    Плата крупным планом
    Плата крупным планом

    Шильдик

    Обратите внимание на почти полное отсутствие блокировочных ёмкостей на плате и на то, что эта плата без параллельного порта на КР580ВВ55 (на её месте находится КР1533ТМ8 для формирования нормального видеовыхода).

    В этом «Балтике» встроенный блок питания
    В этом «Балтике» встроенный блок питания
    В этом «Балтике» встроенный блок питания
    В этом «Балтике» встроенный блок питания
    В этом «Балтике» встроенный блок питания

    Видеовыход собран на монтажном поле платы.

    В таком корпусе «Балтики» тоже были распространены. Скорее всего это тоже производство кооператива «Сонет» - в левом верхнем углу корпуса находится логотип «Балтика», и такой же логотип находится в загрузочной заставке одной из прошивок ПЗУ, сделанном для Балтика кооперативом «Сонет»:

    Логотип кооператива «Сонет»

    Этот «Балтик» с контроллером Beta Disk Interface смонтировали в корпусе от какого-то другого аппарата
    Этот «Балтик» с контроллером Beta Disk Interface смонтировали в корпусе от какого-то другого аппарата
    Этот «Балтик» с контроллером Beta Disk Interface смонтировали в корпусе от какого-то другого аппарата

    А это - настоящее произведение искусства. Посмотрите как старательно вручную сделаны разноцветные надписи на кнопках клавиатуры!
    А это - настоящее произведение искусства. Посмотрите как старательно вручную сделаны разноцветные надписи на кнопках клавиатуры!
    А это - настоящее произведение искусства. Посмотрите как старательно вручную сделаны разноцветные надписи на кнопках клавиатуры!

    И это «Балтик», кстати, очень аккуратно сделанный
    И это «Балтик», кстати, очень аккуратно сделанный
    И это «Балтик», кстати, очень аккуратно сделанный
    И это «Балтик», кстати, очень аккуратно сделанный
    И это «Балтик», кстати, очень аккуратно сделанный
    И это «Балтик», кстати, очень аккуратно сделанный
    И это «Балтик», кстати, очень аккуратно сделанный

    И это «Балтик», кстати, очень аккуратно сделанный
    И это «Балтик», кстати, очень аккуратно сделанный
    И это «Балтик», кстати, очень аккуратно сделанный

    Компьютер «Балтик» в прессе

    Популяризации «Балтика» способствовал цикл статей полурекламного характера В.Борейшо в журнале «Радиолюбитель», начиная с самого первого номера журнала (№1 за 1991 год). В них описывался компьютер, была дана схема «Балтика», особенности его сборки и наладки, а также описание основных доработок, таких как Disk Monitor и контроллер дисковода для работы в CP/M.

    Журналы «Радиолюбитель» со статьями о компьютере «Балтик»
    Журналы «Радиолюбитель» со статьями о компьютере «Балтик»
    Реклама компьютера «Балтик» в журнале «Радиолюбитель»
    Реклама компьютера «Балтик» в журнале «Радиолюбитель»
    Реклама компьютера «Балтик» в журнале «Радиолюбитель»
    Реклама компьютера «Балтик» в журнале «Радиолюбитель»
    Журналы «Радиолюбитель» со статьями о компьютере «Балтик»
    Реклама компьютера «Балтик» в журнале «Радиолюбитель»
    Реклама компьютера «Балтик» в журнале «Радиолюбитель»

    Disk Monitor и ROM-disk

    Эти две доработки идут совместно, поэтому объединены в одно описание. Суть работы ROM-диска в том, что при нажатии на кнопку «ROM-диск» вместо ПЗУ с Бейсиком включается дополнительный банк ПЗУ, где расположено содержимое ROM-диска. Оно перекидывается в ОЗУ компьютера и оттуда запускается стартовое меню ROM-диска, откуда можно было выбрать нужную программу для работы.

    Меню ROM-диска в компьютере «Балтик»

    Это одно из возможных меню ROM-диска (в различных версиях ПЗУ были разные ROM-диски).

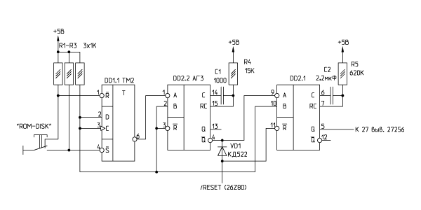
    Интересная особенность схемы запуска ROM-диска: при нажатии кнопки «ROM-disk» на короткое время (примерно полсекунды) должен включиться банк ПЗУ с ROM-диском и одновременно произойти сброс компьютера. При этом по сбросу содержимое ROM-диска должно успеть скопироваться в память, прежде чем банк ПЗУ переключится обратно на «стандартное» ПЗУ.

    Вот предложенная схема из журнала «Радиолюбитель»:

    Схема запуска ROM-диска в компьютере «Балтик»

    В этой схеме временной интервал включения банка ПЗУ с ROM-диском определяет постоянная разряда RC-цепочки. Мне не удалось добиться устойчивого и безглючного включения ROM-диска по этой схеме, поэтому я решил немного усложнить схему, но зато в результате ROM-диск стал включаться идеально:

    Схема запуска ROM-диска в компьютере «Балтик»

    DD1.1. убирает дребезг контактов кнопки. DD2.2 формирует короткий импульс сброса, DD2.1 формирует длинный импульс (порядка 0,5сек) включения банка ПЗУ с ROM-диском.

    Если в меню ROM-диска нажать любую незадействованную клавишу (например, Enter), то в память компьютера с адреса #0000 загрузится программа Disk Monitor. При этом произойдёт «обычный» сброс компьютера в Бейсик, по зато теперь при нажатии кнопки «NMI» мы оказывается в Disk Monitor'е:

    Окно программы «Disk Monitor» в компьютере «Балтик»

    Disk Monitor - это по сути обычный монитор с соответствующим набором функций, которые позволяют просматривать, редактировать, сохранять и загружать данные с ленты или дискеты (при наличии контроллера дисковода). По команде Return можно возвратиться обратно в прерванную программу и посмотреть на результаты работы. Таким образом Disk Monitor очень похож на теневой сервис-монитор компьютера Scorpion ZS256. Список команд Disk Monitor'а есть в руководстве по эксплуатации компьютера (ссылка в конце страницы).

    Для «Балтика» крайне желательно исправить формирование сигнала INT (описание доработки есть в журнальных публикациях). Без этого некоторые программы могли не работать на «Балтике», в частности не работает копировщик TF-Copy с ROM-диска «Балтика».

    Работа с CP/M

    Для компьютера «Балтик» была адаптирована система CP/M. Она работала в режиме 64 символа в строке. Для работы с CP/M требовалось наличие контроллера дисковода. Схема контроллера опубликована в том же журнале «Радиолюбитель».

    Плата контроллера дисковода для компьютера «Балтик»
    Плата контроллера дисковода для компьютера «Балтик»
    Плата контроллера дисковода для компьютера «Балтик»
    Плата контроллера дисковода для компьютера «Балтик»
    Плата контроллера дисковода для компьютера «Балтик»

    В различных исполнениях контроллера дисковода он мог работать как с одним, так и с двумя дисководами. Схема контроллера была очень простая, и соответственно не очень надёжно работающая. Выходные сигналы не были буферированы на элементах с открытым коллектором. Однако всё это не мешало контроллеру дисковода более-менее нормально работать :)

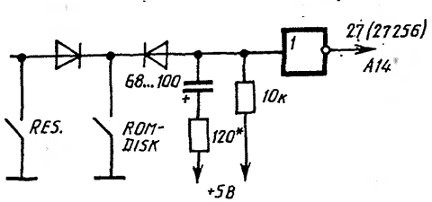
    По поводу упрощённой схемы формирования сигнала записи в контроллере дисковода для «Балтика» С.Рюмик писал в статье «Контроллер дисководов. Канал записи»:

    Если сравнить между собой временные параметры сигналов -WD и -WRDATA, можно понять, почему, вопреки рекомендациям разработчиков [6], работает схема простейшего узла записи, приведенная на рис.9 (CPU «Балтик», «Эрик»).

    Схема формирования сигнала записи в контроллере дисковода компьютера «Балтик»

    Выходной сигнал контроллера - WRDATA получается путём логического инвертирования сигнала WD. Это возможно, т.к. допуски на длительность WRDATA больше, чем на WD. Далее -WRDATA через разъём X1 по кабелю поступает в дисковод.
    ...
    Информация, записанная при помощи приведенной схемы, как правило, без вопросов считывается с внешних дорожек дискеты, а при ювелирной юстировке дисковода, фирменной сборке, высоком качестве дискет - и с внутренних дорожек. Возможность обмена записями с коллегами всё-таки остаётся проблематичной, т.к. при смене дисковода уверенное чтение информации с последних дорожек не гарантируется из-за эффекта «сдвига пиков».

    Контроллер дисковода изначально создавался как внешнее устройство, которое стыкуется с «Балтиком» через 25-контактный разъём типа DB-25.

    Так выглядит экран при загрузке CP/M в «Балтике»:

    Рабочий экран CP/M компьютере «Балтик»

    Рабочий экран CP/M компьютере «Балтик»

    Для нормальной работы CP/M в «Балтике» требуется перепрошивка микросхемы К155РЕ3 с индексом «D». Проблема кроется в неверных данных работы с экранной областью в CP/M. При «старой» версии прошивки при загрузке CP/M на экране была «каша» из цветных точек:

    Рабочий экран CP/M компьютере «Балтик»

    Исправление прошивки РЕ3 D

    Дискеты для «Балтика» имеют формат 5 секторов по 1024 байта и 160 логических дорожек (80 физических, 2 стороны). Побайтовый образ дискеты в этом случае имеет длину 5*1024*160=819200 байт. В этом отношении дискеты имеют такой же самый формат, как у «Корвета», «Ориона», «Байт-01» и могут быть записаны и считаны на Спектруме утилитами для iS-DOS и TASiS (см. в конце этой статьи)

    Карта портов «Балтика»

    Биты Адрес Режим Описание
    76543210
    0 1 1 1 1 1 1 0 #7E (126dec)WriteСистемный регистр
    0 1 1 1 1 1 1 1 #7F (127dec)Read/WriteРегистр управляющего слова (РУС) ВВ55
    0 0 0 1 1 1 1 0 #1F (31dec)Read/WriteРегистр A ВВ55
    0 0 1 1 1 1 1 0 #3F (63dec)Read/WriteРегистр B ВВ55
    0 1 0 1 1 1 1 0 #5F (95dec)Read/WriteРегистр C ВВ55
    1 1 1 1 1 1 1 0 #FE (254dec)ReadКлавиатура/чтение с ленты
    1 1 1 1 1 1 1 0 #FE (254dec)WriteБордюр/запись на ленту/звук

    Серым цветом выделены биты, по которым производится дешифрация адреса порта.

    Порты контроллера дисковода:

    Биты Адрес Режим Описание
    76543210
    1 1 1 1 1 0 0 1 #F9 (249dec)Read/WriteВГ93 статус регистр
    1 1 1 1 1 0 1 1 #FB (251dec)Read/WriteВГ93 регистр дорожки
    1 1 1 1 1 1 0 1 #FD (253dec)Read/WriteВГ93 регистр сектора
    1 1 1 1 1 1 1 1 #FF (255dec)Read/WriteВГ93 регистр данных

    Серым цветом выделены биты, по которым производится дешифрация адреса порта.

  • Системный регистр:

    Системный регистр

    Биты 0 и 1 управляют переключением экранов для ОС CP/M.

    Бит 2 - изначально ничем не управляет, но задействуется при использовании CP/M (при дорабоке компьютера):

    Бит 2 системного регистра

    Бит 7 позволяет отключить ПЗУ и на его место подставить «теневую» область ОЗУ. При 0 включено ПЗУ, при записи 1 в этот бит ПЗУ отключается, и на его место подставляется «теневая» область ОЗУ. Эта часть ОЗУ не входит в основные 48КБ памяти «Балтика».

    Все биты системного регистра устанавливаются в 0 при сбросе компьютера.

    Прошивки ПЗУ для «Балтика»

    Для «Балтика» существовало несколько вариантов прошивок ПЗУ. Приведу тут все прошивки, которые мне довелось видеть:

    Прошивки для ПЗУ 16К с бейсиком:

    Прошивка №1  Скачать
    Отличие от стандартной спектрумовской прошивки с бейсиком состоит в утолщённом шрифте.

    Прошивка №2  Скачать
    Прошивка Сонет v1.2. Имеет красочную заставку.

    Прошивка №3  Скачать
    Прошивка Турбо. Имеет русские символы в псевдографике.

    Прошивка №7  Скачать
    BALTIC RUSSIAN 1988.

    Далее идут прошивки для ПЗУ 27256 с ROM-диском и загрузчиком CP/M:

    Прошивка №4  Скачать
         
    Прошивка 1988 BALTIC RUSSIAN & CP/M. В составе ROM-диска имеет копировщик TF-Copy, загрузчик CP/M и ассемблер.

    Прошивка №5  Скачать
           
    Прошивка 1992 Балтик турбо. В составе ROM-диска имеет копировщик, загрузчик CP/M, программу для форматирования дисков и программу Tape Test. Также в псевдографике прошиты русские символы.

    Прошивка №6  Скачать
           
    Ещё одна прошивка 1992 Балтик турбо. От прошивки №5 отличается цветом меню ROM-диска и стандартным знакогенератором псевдографики.

    «Балтик» и БМК Т34ВГ1

    По неподтверждённой информации схемотехника компьютера «Балтик» была использована в качестве основы при проектировании БМК Т34ВГ1.

    В пользу этой версии говорит тот факт, что в Т34ВГ1 и в «Балтике» тактовая частота процессора равна 4МГц.

    Расширение памяти «Балтика»

    Память компьютера хорошо расширялась до 128К при помощи «стандартной» платы расширения и напайки на имеющиеся микросхемы памяти КР565РУ5 ещё одного этажа РУ5-х. Также есть схема расширения памяти до 512К от Micruho-Maklaj (ссылка на схему в конце этой страницы). Я видел этот «Балтик» с 512К памяти. Работал замечательно.

    Документация по «Балтику»

    Нормальной схемы «Балтика», кроме опубликованной в журнале, я не видел. Но благодаря ребятам с сайта http://sblive.narod.ru появилась восстановленная по имеющимся платам безглючная схема. На её основе я начертил схему в более-менее читаемом по ГОСТам виде (ссылка на схему в конце этой страницы).

    Мой «Балтик» с CP/M

    В течение длительного времени я полагал, что прошивки ПЗУ 27256 с Disk Monitor и дискеты с CP/M для «Балтика» утеряны. Ведь дамп прошивки в журналах не публиковался. Ни у кого из знакомых такого не было или было давно выброшено. Но нашлись добрые люди (rl76 и Backa), которые смогли поделиться и прошивками и образом дискеты. Таким образом появилась возможность повторить версию «Балтика» с CP/M и посмотреть что это за «зверь». Вот что у меня получилось:

    Самодельный «Балтик» с CP/M
    Самодельный «Балтик» с CP/M
    Самодельный «Балтик» с CP/M
    Самодельный «Балтик» с CP/M
    Самодельный «Балтик» с CP/M

    Самодельный «Балтик» с CP/M
    Самодельный «Балтик» с CP/M
    Самодельный «Балтик» с CP/M
    Самодельный «Балтик» с CP/M
    Самодельный «Балтик» с CP/M

    Да, на самом деле всё работает - и CP/M и Disk Monitor. Большой пользы от CP/M на «Балтике» я не вижу, но для истории годится.

    Скачать:
    Цикл публикаций по компьютеру «Балтик» из журнала «Радиолюбитель»
    Руководство по эксплуатации компьютера «Балтик» производства кооператива «Сонет». В ней же находится полный список команд Disk Monitor
    Сканированная схема контроллера дисковода для компьютера «Балтик»
    Нарисованные мной схемы компьютера «Балтик» и контроллера дисковода к нему
    Схема расширения памяти компьютера «Балтик» до 512К от Micruho-Maklaj
    Прошивки всех К155РЕ3 и КР556РТ4 для компьютера «Балтик»
    Все описанные в статье прошивки ПЗУ для компьютера «Балтик» одним файлом
    Образ загрузочного диска с CP/M для компьютера «Балтик» (образ в формате *.kdi, т.е. побайтовая копия диска объёмом 800К)
    Книга "Персональный компьютер «Балтик» (редакция от rimf)
    «Baltic» book (rimf edition) (english)
    Программы для работы с образами дисков компьютера «Балтик» на Спектруме:
    Программа kdi2flpСлужит для создания образов дисков CP/M и наоборот - для записи образов CP/M на дискету. Программа работает как в ОС iS-DOS, так и в TASiS
    Программа kformatИзначально эта программа писалась для форматирования на Спектруме CP/M дисков для компьютера «Корвет». Но как оказалось, они отлично подходит для компьютеров «Орион», «Балтик» и «Байт-01». Описание программы внутри архива. Программа работает только в ОС TASiS
    Ссылки:
    sblive.narod.ru - тут есть много полезной информации по «Балтику»