Spectrum-совместимые компьютеры «Байт»,«Байт-01» и прочие раритеты

2 / 3 043

Дисковод ЕС5325

DS,DD, 80 дорожек.

С ZX-Spectrum работает, но из-за нестандартных разъёмов интерфейса и питания для подключения накопителя требуются переходники.

Для выбора дисковода используется только один сигнал. Таким образом нельзя на один шлейф "повесить" несколько подобных дисководов. Также отсутствует сигнал Drive Ready (или Disk Change). Для ZX-Spectrum этот сигнал неактуален.

Очень необычный дисковод. Производитель сего чуда - ОАО "НИИСВТ". Для фиксации дискеты используется кнопка, а не ручка. Дисковод поражает обилием позолоченных компонентов. Почти все компоненты имеют военную приёмку. Корпус дисковода не литой, а фрезерованный из цельного куска металла, что говорит о высокой трудоёмкости и стоимости изготовления.

Фотогалерея

Дисковод ЕС5325

Дисковод ЕС5325
Дисковод ЕС5325
Дисковод ЕС5325
Дисковод ЕС5325
Дисковод ЕС5325
Дисковод ЕС5325

Дисковод ЕС5325
Дисковод ЕС5325
Дисковод ЕС5325
Дисковод ЕС5325

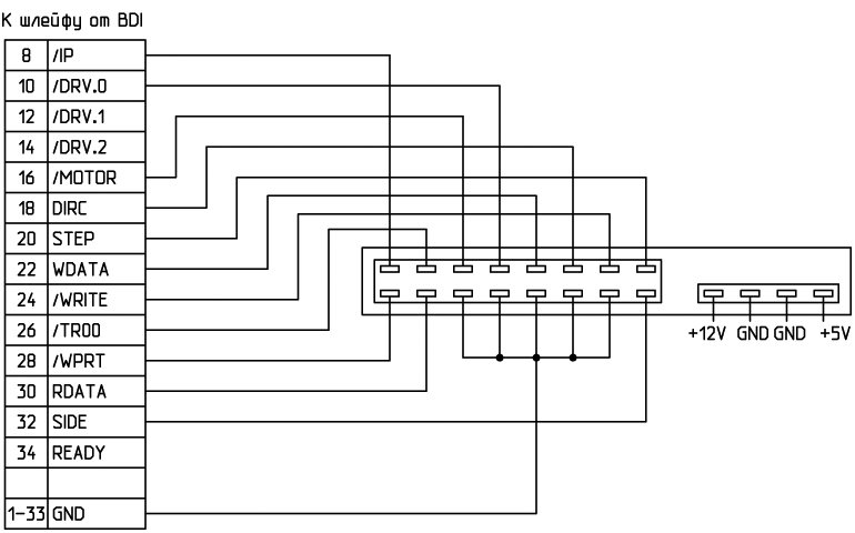
Расположение сигналов на контактах разъёмов дисковода (вид сзади):

Сигналы дисковода ЕС5325

Где сигнал SEL - выбор дисковода. При подключении к ZX-Spectrum на этот контакт можно подать, к примеру, сигнал SEL0 (выбор дисковода "A").

Остальные сигналы подключаются к одноимённым сигналам Beta Disk Interface:

Подключение дисковода ЕС5325 к ZX-Spectrum

Документация и прочая причастная литература

Паспорт НГМД ЕС5325.01Сканированный паспорт и распиновка интерфейсного разъёма