Spectrum-совместимые компьютеры «Байт»,«Байт-01» и прочие раритеты

1 / 4 394

Компьютер «Инфотон-030»

«Инфотон-030» - Спектрум-совместимый компьютер, построенный на микросхемах БМК.

Компьютер «Инфотон-030»

Выпускался в первой половине 90-х годов минским предприятием «Белвар».

Компьютер «Инфотон-030»

Компьютер представляет собой моноблок (плата и клавиатура в одном корпусе):

«Инфотон-030»
«Инфотон-030»
«Инфотон-030»

Внешний вид компьютера оставляет довольно приятное впечатление. Качественный корпус, хорошая плёночная клавиатура с дополнительными клавишами, два джойстика, ВЧ-выход, возможность подключения дисковода и принтера, 128КБ ОЗУ, музыкальный сопроцессор AY 3-8912:

Задняя стенка компьютера «Инфотон-030»
Задняя стенка компьютера «Инфотон-030»
Задняя стенка компьютера «Инфотон-030»

Однако на практике не всё так просто. Первый же «косяк» встречается при попытке подключить компьютер к монитору. Дело в том, что у компьютера «Инфотон-030» частота кадров - 60 Гц (вместо 50 Гц у других клонов ZX-Spectrum). Приходится крутить регулятор частоты кадров в мониторе.

По ВЧ компьютер удалось подключить к старому советскому телевизору «Шилялис-405». На более современном ЖКИ телевизоре по ВЧ, к сожалению, ничего не показывает. Через SCART удалось подключить нормально.

Не знаю, может это мой экземпляр компьютера так показывает, но у него не «чистый» RGB-выход, а изображение такого качества, как видео на 8-битных приставках (с зернистостью). Т.е. изображение как бы после кодера:

Это картинка с моего ТВ-тюнера, к которому я подключил компьютер через композитный вход. Изображение не цветное, неустойчивое. При этом качество изображения можно менять подстроечным конденсатором возле кварцевого резонатора на 8,867238 МГц:

Кварцевые резонаторы в компьютере «Инфотон-030»

Кварц на 14МГц тактирует процессорную часть компьютера, кварц на 8МГц - контроллер дисковода, а кварц на 8,867238 МГц отвечает за тактирование видеоконтроллера. Вероятнее всего компьютер должен выдавать цветное изображение в системе PAL. К сожалению проверить это я не смог.

Второй «косяк» - распиновка магнитофонного разъёма. Она не соответствует распиновкам разъёмов в магнитофонах. Поэтому для соединения компьютера с магнитофоном должен использоваться специально изготовленный кабель:

Кабель для подключения компьютера «Инфотон-030» к магнитофону.
Кабель для подключения компьютера «Инфотон-030» к магнитофону.
Кабель для подключения компьютера «Инфотон-030» к магнитофону.

Распиновка магнитофонного разъёма:

Распиновка магнитофонного разъёма компьютера «Инфотон-030»

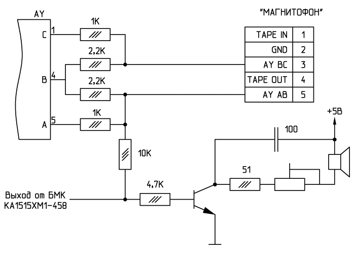
Третий «косяк» - звук с музыкального сопроцессора выводится только на магнитофонный разъём. На встроенный динамик не подаётся... Если интересно, то звуковой выход «Инфотона» сделан по следующей схеме:

Звуковой выход компьютера «Инфотон-030»

Как видно из схемы, в компьютере есть возможность регулировки уровня звука на встроенном динамике. Для этого на нижней части корпуса компьютера расположен подстроечный резистор:

Регулятор громкости в компьютере «Инфотон-030»

Четвёртый «косяк» - хоть и имеется возможность подключения двух джойстиков (Sinclair 1 и Sinclair 2), но распиновка у них неодинакова:

Распиновка разъёмов джойстиков компьютера «Инфотон-030»

Мало того, в компе явно есть порт Kempston джойстика (тесты показывают, что он там есть), но сам джойстик никуда не выведен...

Посмотрим теперь на компьютер изнутри. Клавиатура, как я уже сказал, плёночная.

Клавиатура компьютера «Инфотон-030»
Клавиатура компьютера «Инфотон-030»
Клавиатура компьютера «Инфотон-030»

Гибкие шлейфы от клавиатуры имеют малую длину, из-за чего откинуть верхнюю крышку компьютера нельзя, приходится отсоединять клавиатуру от платы компьютера. Сама клавиатура удобна в работе и качественно изготовлена. На точно такой же клавиатуре я работал много лет, и она у меня до сих пор используется без каких-либо нареканий.

Внутри корпуса расположены две платы:

Компьютер «Инфотон-030»
Компьютер «Инфотон-030»
Компьютер «Инфотон-030»

Справа - основная плата компьютера. Слева - плата стабилизатора питания и видеовыхода. Кроме стабилизатора тут расположены выходные каскады RGB-выхода и ВЧ-кодер.

Плата видеовыхода компьютера «Инфотон-030»
Плата видеовыхода компьютера «Инфотон-030»
Плата видеовыхода компьютера «Инфотон-030»

Распиновка RGB-выхода:

Распиновка RGB выхода компьютера «Инфотон-030»

RGB - выходы трёх цветовых сигналов (с подмешанным яркостным сигналом), выходное сопротивление - 75 Ом
VIDEO - сформированный видеосигнал из RGB и синхросигнала, выходное сопротивление - 75 Ом;
SYNC - синхросигнал, с TTL-уровнем. Как вариант может использоваться для переключения телевизора в режим входа RGB с разъёма SCART (подаётся на 16-й контакт разъема);
SOUND - выход beeper'a (без звука с AY).

Посмотрим на основную плату компьютера более подробно:

Плата компьютера «Инфотон-030»
Плата компьютера «Инфотон-030»
Плата компьютера «Инфотон-030»

Плата компьютера «Инфотон-030» (вид со стороны пайки)
Плата компьютера «Инфотон-030» (вид со стороны пайки)
Плата компьютера «Инфотон-030» (вид со стороны пайки)

Плата довольно аккуратно разведена и спаяна. Глаз радует. Жаль, что нет позиционных обозначений элементов. Благодаря использованию микросхем БМК плата компьютера имеет малое количество корпусов микросхем: сами БМК, память ОЗУ 128КБ, выполненная на 16-ти микросхемах КР565РУ5, ПЗУ, процессор, музыкальный синтезатор, КР1818ВГ93, параллельный порт КР580ВВ55 для подключения принтера и немного мелкой логики. Довольно компактно.

Вся основная «начинка» компьютера впихнута в две микросхемы БМК (КА1515ХМ1-433 и КА1515ХМ1-458):

БМК КА1515ХМ1-433 и КА1515ХМ1-458
БМК КА1515ХМ1-433 и КА1515ХМ1-458
БМК КА1515ХМ1-433 и КА1515ХМ1-458
БМК КА1515ХМ1-433 и КА1515ХМ1-458
БМК КА1515ХМ1-433 и КА1515ХМ1-458

Цифры 433 и 458 здесь означают исполнение кристалла, т.е. тип «прошивки». К сожалению, подробной информации об этих БМК я не нашёл. Но кое-что удалось понять при составлении схемы компьютера.

ПЗУ

В качестве ПЗУ используются две микросхемы.

В масочном ПЗУ КР563РЕ2-165 прошита система TR-DOS 5.04 (что интересно, во второй «половинке» ПЗУ находится прошивка CP/M 2.2, но насколько я понял, эта «половинка» не используется в «Инфотоне»).

Со вторым ПЗУ ситуация интереснее. Из всех встреченных мной «Инфотонов» в трёх компьютерах в качестве ПЗУ для Меню-128 используется КР563РЕ2-155:

ПЗУ КР563РЕ2-155 компьютера «Инфотон-030»
ПЗУ КР563РЕ2-155 компьютера «Инфотон-030»
ПЗУ КР563РЕ2-155 компьютера «Инфотон-030»

Однако в этой прошивке ПЗУ в Меню-128 отсутствует опция входа в TR-DOS:

КР563РЕ2-155

Ещё в одном «Инфотоне» в качестве ПЗУ с Меню-128 используется «обычная» микросхема 27256 с «нормальной» прошивкой с возможностью входа в TR-DOS:

ПЗУ 27256 компьютера «Инфотон-030»
ПЗУ 27256 компьютера «Инфотон-030»
ПЗУ 27256 компьютера «Инфотон-030»

ОЗУ

Объём ОЗУ составляет 128КБ. Плата компьютера разведена с возможностью использования как 16 микросхем ОЗУ типа КР565РУ5, так и 4-х микросхем типа КР565РУ11 (4464). Однако на том месте, где должны устанавливаться микросхемы 4464, на всех встреченных мной компьютерах прямо на заводе была сделана доработка на КР1533ЛА3 для формирования тактового сигнала процессора. Предположу, что после разводки и изготовления партии печатных плат компьютера обнаружилась некая недоработка, для устранения которой потребовалась дополнительная микросхема, и для установки этой микросхемы пришлось «пожертвовать» возможностью установки микросхем КР565РУ11.

Та самая доработка на КР1533ЛА3. Видны перерезанные дорожки.
Та самая доработка на КР1533ЛА3. Видны перерезанные дорожки.

Подключение дисковода

Разъём для подключения дисковода сделан очень правильно, без всяких ухищрений - в виде такой же «гребёнки», как на дисководе. Благодаря этому для подключения дисковода можно использовать обычный ленточный шлейф от старых IBM PC, только надо убрать «перевёрнутый» кусок шлефа:

Шлейф для подключения дисковода к компьютеру «Инфотон-030»
Шлейф для подключения дисковода к компьютеру «Инфотон-030»
Шлейф для подключения дисковода к компьютеру «Инфотон-030»

Блок питания «инфотона» очень маломощный и выдаёт только одно напряжение питания +5В. Таким образом при подключении дисковода потребуется дополнительный источник питания для самого дисковода.

Нужное для работы КР1818ВГ93 напряжение питания +12В формируется специальным преобразователем 9В -> 12В, расположенным прямо на плате компьютера.

Кадровая частота

С «железом» вроде разобрались. Посему плавно переходим к самому косячному косяку этого компа... Короче, у компа кадровая частота видеовыхода 60 Гц. Прерывания тоже жёстко завязаны на кадровую развёртку, поэтому частота прерываний INT тоже 60 Гц:

Сигнал INT в компьютере «Инфотон-030»

Согласно картинке на осциллографе период сигнала INT равен 16-17 мс, что составляет 58-62 Гц. В целом можно считать, что частота прерываний равна 60 Гц.

Так как частота процессора такая же, как в других клонах ZX-Spectrum (3,5МГЦ), то получаем уменьшенное количество тактов в обработчике прерывания, что иллюстрируется результатом работы теста (TEST 4.30):

Результаты работы программы TEST4.30 для «Инфотон-030»

Или даже так:

результаты работы программы TEST4.30 для «Инфотон-030»

Имеем порядка 57300 тактов. Маловато. Даже очень мало.

Положение сигнала INT тоже непонятно чему соответствует:

Результаты работы программы TEST4.30 для «Инфотон-030»

Из-за частоты прерываний 60 Гц проигрывание музыки для AY (которая играется по прерываниям) осуществляется быстрее, чем на других клонах ZX-Spectrum. Для сравнения послушайте как играется музыкальный трек DNK-1 на «Инфотоне-030» и на обычном Спектруме:

Как видно, на «Инфотоне-030» музыка играется быстрее.

Попытки запустить различные демо на «Инфотоне» дали в целом плачевные результаты. К примеру, посмотрите как работает демка Eye Ache:

Демо Eye Ache на «Инфотон-030»

Думаю, комментарии излишни.


Итого: в целом компьютер «Инфотон-030» несомненно представляет интерес как Белорусский клон ZX-Spectrum с хорошей клавиатурой, расширенной памятью, контроллером дисковода и т.п. Но в плане совместимости, к сожалению, этот компьютер едва ли не самый несовместимый, который я когда-либо встречал :)

Схема компьютера

«Инфотон» комплектовался схемой, однако схема была такого качества, что разобрать наименования сигналов оказалось очень сложно. Кроме того, как я понял, схема соответствует какому-то первоначально задуманному варианту компьютера с ОЗУ на 4-х микросхемах КР565РУ11 (без КР565РУ5).

Для проверки схемы пришлось полностью «прозвонить» всю плату компьютера и на основе бумажной схемы составить свой актуальный вариант схемы со всеми заводскими доработками.

Документация

Схема и монтажный чертёж платы компьютера «Инфотон-030»
Прошивки ПЗУ компьютера «Инфотон-030»