1 / 3 646
Версия для печати
Самодельный адаптер для подключения компьютера «Байт» к телевизорам и CGA/EGA мониторам
 |
Сразу оговорюсь, чтобы потом не было лишних вопросов - к VGA мониторам при помощи этого адаптера «Байт» подключить НЕЛЬЗЯ! Если нужно подключение к VGA мониторам, переходим в этот раздел сайта. Кроме того к VGA/HDMI мониторами можно подключить «Байт» при помощи адаптера v2.0.
|
Исходя из информации, собранной в предыдущей статье после недолгих раздумий была разработана схема несложного адаптера для подключения «Байта» к:
- цветным телевизорам, оборудованными разъёмом SCART, композитным видеовходом, или входом S-Video;
- компьютерным TV-тюнерам;
- черно-белым мониторам (проверил на МС6105) и телевизорам:
- цветным CGA-мониторам (проверил на МС6106 с цифровым входом).
Адаптер представляет собой конструкцию, собранную из кусков схем из различных источников. Схема PAL-кодера взята с сайта NedoPC, схема смешивания цветовых сигналов и яркостного взята из инструкции к «Байту», а схема формирования черно-белого сигнала заимствована из схемы «Ленинграда-1».
В данный момент адаптер существует в двух версиях: отладочная версия, собранная на макетной плате, и «нормальная» версия на печатной плате в корпусе.
Первоначальная версия на макетке
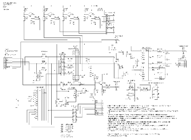
Схема видеоадаптера для компьютера «Байт» (увеличивается по клику мышкой)
Схема видеоадаптера для компьютера «Байт» (увеличивается по клику мышкой)
Пояснения по работе адаптера: на микросхемах DD1,DD3, резисторах R1-R11 собрана схема для формирования цветовых сигналов с подмешиванием яркостного сигнала. На транзисторе VT5 и резисторах R12-R14,R18-R21 собран формирователь чёрно-белого изображения для монохромных мониторов и телевизоров. На элементах DD1.6,DD2,5 собран повторитель для синхросигнала, который через диод VD1 подмешивается черно-белому изображению.
На мультиплексоре DD5 выполнена схема, которая убирает сигнал повышенной яркости на чёрном фоне. Суть её работы заключается в том, что при комбинации сигналов R=G=B=0 яркостный сигнал принудительно устанавливается как BRIGHT=0, чтобы не было двух градаций яркости черного цвета.
Благодаря отдельному сигналу яркости появилась возможность подключить «Байт» к CGA-мониторам, которые требуют отдельного сигнала яркости. Но они также требуют раздельных входов для кадрового (Vs) и строчного (Hs) синхроимпульсов. Для разделения сигнала синхронизации на кадровые и строчные импульсы используется специализированная микросхема LM1881N. Кадровый синхроимпульс (Vs) с её выхода инвертируется на элементе DD1.5, потому что цветной монитор МС6106, который я использовал для теста, требует проинвертированный кадровый синхроимпульс. Возможно для других мониторов этого не потребуется. Цветовые сигналы R,G,B и яркостный сигнал I буферированы через микросхемы DD1,DD2 и поданы на разъём для подключения монитора.
Для подключения ко входу SCART цветовые сигналы и сигнал синхронизации пропущены через эмиттерные повторители на транзисторах VT1-VT4 для согласования со входами SCART, которые имеют входное сопротивление 75 Ом. Так же на разъём SCART подаётся аудио-выход с компьютера.
PAL-кодер собран на микросхеме DA2 (CXA1645M). Цветовой баланс регулируется подстроечными резисторами R15-R17. Резистором R22 регулируется размах синхросигнала, подаваемого на микросхему. Задающий генератор на 4,43МГц собран на DD4. На входы неиспользуемых элементов DD4 подано GND (входы КМОП-микросхем нельзя оставлять неподключенными). С выходов DA2 снимаются сигналы для композитного видеовыхода и S-video.
Возможно придётся подобрать номиналы резисторов R6-R8 для получения наиболее приемлемого уровня яркости при BRIGHT=1.
Замена элементов: CXA1645M можно заменить на CXA2075 с некоторыми изменениями схемы. К561ЛН2 заменяется на 74HC04 или 74HC14.
Вот такая конструкция получилась в итоге:
Видеоадаптер для компьютера «Байт»
Видеоадаптер для компьютера «Байт»
Видеоадаптер для компьютера «Байт»
Видеоадаптер для компьютера «Байт»
Видеоадаптер v1.0
Схема предыдущего адаптера, собранного на макетной плате, переработана, исправлены ошибки, подобраны номиналы деталей, разработана печатная плата и корпус.
Видеоадаптер для «Байта»
Печатная плата видеоадаптера в сборе
Печатная плата видеоадаптера в сборе
Печатная плата видеоадаптера в сборе
В сборе с «Байтом» и телевизором выглядит следующим образом:
Компьютер «Байт» с видеоадаптером
Адаптер собран на двухсторонней печатной плате.
Печатная плата видеоадаптера v1.0
Печатная плата видеоадаптера v1.0
Питание адаптера - от внешнего источника питания 5В. Подключение - либо через USB Type-C, либо при помощи разъёма NP-117B (2.1х5.5х9.5мм).
Назначение разъёмов видеоадаптера
Назначение разъёмов видеоадаптера
Назначение разъёмов видеоадаптера
Назначение разъёмов видеоадаптера
Назначение разъёмов видеоадаптера
К «Байту» адаптер подключается при помощи отдельного RGB-кабеля. Как этот кабель изготовить будет рассказано чуть ниже по тексту статьи.
Сборка платы видеоадаптера
Момент №1:
Перед тем как заказывать детали для сборки видеоадаптера следует определиться каким образом будет собран задающий генератор для PAL-кодера. В плате я предусмотрел два варианта генератора - на дискретных элементах (К561ЛН2, кварц несколько резисторов и конденсаторов), либо уже готовый кварцевый генератор:
В случае, если будете собирать генератор на «рассыпухе», заказывайте элементы Q1 (4,433619 МГц), DD7 (К561ЛН2, 74HC04), C6,C7 (33 пФ), R45 (4,7М), R47 (1,6К).
В случае, если будете собирать генератор на уже готовой сборке, заказываем её и не заказываем вышеперечисленные элементы. Сборка запаивается на место QG1 на плате.
Момент №2:
В зависимости от типа микросхемы DD6 может меняться её «обвязка» В случае использования CXA2075 не нужно устанвливать элементы C11,C16,R46. В случае использования CXA1645 не требуется установка резистора R51.
Пайку платы лучше начинать с DD6 и XS8, и потом только паять остальные элементы.
Настройка платы видеоадаптера
Настройка сводится к двум моментам:
1. Резистором R26 устанавливаем такой уровень синхросигнала, чтобы изображение с PAL-кодера было стабильным. Можно просто установить максимальный уровень сигнала.
2. Резисторами R23,R24,R25 требуется установить одинаковый уровень сигналов RGB на входе PAL-кодера. Уровень должен быть 0,7В. Можно чуть-больше, можно чуть меньше, но, главное, чтобы уровень всех трёх цветовых сигналов был одинаков, иначе не получите чисто белый цвет.
Контрольные точки для регулировки видеоадаптера
Контрольные точки для регулировки видеоадаптера
Установку уровня сигналов лучше всего делать при помощи осциллографа:
Установка уровней RGB
Установка уровней RGB
При этом на экране нужно вывести элементы как с обычной яркостью (BRIGHT=0), так и с повышенной (BRIGHT=1). Я набирал простейшую программу на бейсике для вывода цветных полос:
3. Если будете использовать подключение по черно-белому выходу (через разъём XS3), то имейте ввиду, что некоторые мониторы и телевизоры «не любят», когда на выходе адаптера сигнал подаётся через разделительный конденсатор (в данном случае это C23). При этом может срываться синхронизация. В таком случае можно просто замкнуть выводы конденсатора C23.
Корпус для видеоадаптера
Для видеоадаптера я спроектировал корпус для печати на 3D-принтере.
Детали корпуса видеоадаптера
Детали корпуса видеоадаптера
Требуемый для корпуса крепёж:
Винт М2,5*8 с полукруглой головкой - 2 шт;
Винт М2,5*12 с полукруглой головкой - 6 шт;
Порядок подготовки и сборки корпуса:
1. Печатаем все детали (нижняя крышка - 1шт, верхняя крышка - 1шт, уголок - 2шт).
2. Нижнюю крышку можно печатать без поддержек. Для исключения «провисания» длинных вырезов при печати я сделал три тонких стенки, которые после распечатки детали нужно АККУРАТНО срезать:
3. Запрессовываем в нижнюю крышку 2 резьбовых втулки (М2,5*5*3,5мм):
4. Запрессовываем в верхнюю крышку 4 резьбовых втулки (М2,5*5*3,5мм):
5. В каждом из двух уголков нарезаем резьбу М2,5:
6. Вставляем плату в нижнюю крышку и прикручиваем уголки к SCART разъёму:
Крепление разъёма SCART к плате и корпусу
Крепление разъёма SCART к плате и корпусу
7. Прикручиваем верхнюю крышку при помощи 4 винтов М2,5*12.
RGB-кабель для соединения компьютера «Байт» и видеоадаптера
Для начала нужно определить, какой разъём установлен на RGB-выходе компьютера «Байт». Дело в том, что разъём может быть как с 7 контактами (полный RGB), так с 5 контактами (урезанный RGB). Отличие состоит в том, что в 5-контактном разъёме не используются сигнал яркости (Bright) и выход звука (Audio). При подключении видеоадаптера к таким «Байтам» на экране не будут отображаться градации яркости.
Чтобы собрать RGB-кабель для «Байтов» с 5-контактным RGB-выходом нужно:
- вилка ОНЦ-ВГ-4-5/16-В (DIN 5pin 180° на кабель) - 1шт;
- вилка ОНЦ-ВГ-11-7/16В (DIN 7pin 180° на кабель) - 1шт;
- шлейф на 12 проводников (длина шлейфа - по желанию, я себе делал 2-метровый).
Можно такой:
Можно любой другой, на ваш выбор. Я вообще брал ненужные USB3.0 A Male To B Male кабели, отрезал USB разъёмы и паял на их место вилки DIN7 :)
Паяем кабель по следующей схеме:
Чтобы собрать RGB-кабель для «Байтов» с 7-контактным RGB-выходом нужно:
- вилка ОНЦ-ВГ-11-7/16В (DIN 7pin 180° на кабель) - 2шт;
- шлейф на 12 проводников (длина шлейфа - по желанию, я себе делал 2-метровый).
Паяем кабель по следующей схеме:
Также вместо шлейфа можно использовать USB 3.0 A Male To B Male кабель, предварительно обрезав USB-разъёмы с концов кабеля.
Использование видеоадаптера с другими компьютерами
Помимо «Байта» видеоадаптер можно попробовать использовать с другими компьютерами. Желательно, чтобы их RGB выходы имели уровни сигналов, сопоставимые с ТТЛ. Для удобства подключения изготавливается переходник на кабель видеоадаптера, при помощи которого можно подключиться почти к любым разъёмам:
Переходник для видеоадаптера от компьютера «Байт»
Переходник для видеоадаптера от компьютера «Байт»
Контакты переходника взяты из поломанных вилок ОНЦ-ВГ.
Немного статистики
Статистика несколько условна ввиду того, что различные тюнеры могут по-разному отображать сигнал с PAL-кодера. К примеру, старый-старый тюнер AverMedia 203 без каких-либо проблем показывет картинку с Pentagon-128, а другой тюнер, более новый, - Beholder H8 ни в какую не хочет показывать цвет на том же Pentagon-128 + PAL-кодер.
На практике, помимо «Байта», к видеоадаптеру удалось успешно подключить компьютеры:
Орион-128;
Орион-про;
Ратон-9003 (не все экземпляры);
Корвет;
Pentagon-128;
Pentagon-48;
Балтик;
игровая приставка Эльф;
ZXM-Phoenix;
KAY-1024;
Profi;
Дельта-С;
Ленинград-1 (с доработкой компьютера);
Квант (Интер) (с доработкой компьютера);
Игровая приставка на микросхеме К145ИК17.
Не захотели работать с видеоадаптером:
МК-88;
Pentagon-1.41.
Документация
| PAL видеоадаптер для «Байта»: |
|
|
Полный комплект документации для заказа плат и сборки видеоадаптера v1.0В архиве: схема, монтажный чертёж платы, перечень элементов, детали корпуса для распечатки на 3D принтере, герберы для заказа печатных плат.
|