Spectrum-совместимые компьютеры «Байт»,«Байт-01» и прочие раритеты

3 / 7 420

Контроллеры Beta Disk Interface для компьютера «Байт»

Для «Байта» выпускались несколько моделей контроллеров дисковода для системы TR-DOS.

Куча контроллеров дисковода для компьютера «Байт»

Когда-то пределом мечтаний было иметь хотя бы один из этих контроллеров...

Все известные мне контроллеры дисковода для «Байта» сделаны на основе одной схемы с незначительными различиями.

Описания всех контроллеров дисковода, которые мне довелось держать в руках:

Неизвестный контроллер

Неизвестный контроллер дисковода для компьютера «Байт»

На контроллере нет никакой маркировки, которая могла бы прояснить его тип. На двух имеющихся экземплярах в углу краской нанесена дата выпуска - 12.93 и 02.94.

Контроллер дисковода неизвестного типа для компьютера «Байт»
Контроллер дисковода неизвестного типа для компьютера «Байт»
Контроллер дисковода неизвестного типа для компьютера «Байт»
Контроллер дисковода неизвестного типа для компьютера «Байт»
Контроллер дисковода неизвестного типа для компьютера «Байт»

Контроллер использует дополнительно два контакта системного разъёма для вывода некоторых сигналов.
На контакт C13 выводится сигнал блокировки IORQ (он же инверсный сигнал ROMCS) (в «Байте» не используется);
На контакт С7 дублируется сигнал ROMCS (контакт B12 системного разъёма). Непонятно, зачем так сделано, потому что в дальнейшем в контроллерах дисковода на контакт С7 выводился сигнал A14ROM (бит 4 порта #7FFD). Из-за этого контроллер не работает с «Байтами», расширенными до 128К и использующими более новые контроллеры Б48-128, Б-128. В таких случаях в контроллере сигнал ROMCS отрезается от контакта C7.

В контроллере стоит узел защиты КР1818ВГ93 от пропадания напряжения питания +5В.

Неизвестный контроллер №2

Неизвестный контроллер дисковода для компьютера «Байт»

Ещё один неопознанный контроллер дисковода для «Байта». На плате маркером нанесена надпись «84.11.94». Судя по датам изготовления микросхем, контроллер изготовлен не ранее 1994 года.

Неизвестный контроллер дисковода для компьютера «Байт»
Неизвестный контроллер дисковода для компьютера «Байт»
Неизвестный контроллер дисковода для компьютера «Байт»
Неизвестный контроллер дисковода для компьютера «Байт»
Неизвестный контроллер дисковода для компьютера «Байт»

Помимо непосредственно контроллера Beta Disc Interface на плате расположен музыкальный сопроцессор AY3-8910. Звук с сопроцессора выведен на отдельные контактные площадки для подключения внешнего усилителя. Каналы сопроцессора подключены по схеме «BCA» (звук из канала C подмешивается в равных долях к каналам B и A).

Из-за упрощённой схемотехники контроллера тактовая частота музыкального сопроцессора нестандартна и составляет 2МГц (в «классической» схеме включения сопроцессора его тактовая частота должна быть 1,75МГц). Частота измерялась самодельным частотомером:

На индикаторе показания в герцах - 1999856Гц, т.е. 1,99МГц
На индикаторе показания в герцах - 1999856Гц, т.е. 1,99МГц

Кроме того выборка музыкального сопроцессора осуществляется без учёта сигнала /M1 процессора, из-за чего в цикле подтверждения прерывания сопроцессор «мусорит» на шину данных, что не есть хорошо:

Музыкальный сопроцессор «мусорит» на шину данных в цикле подтверждения прерывания

В контроллере установлен узел защиты КР1818ВГ93 от пропадания напряжения питания +5В.

Контроллер Б-48

Контроллер Б-48

По другим источникам он называется «Минск 1994».

Как следует из названия (Б-48), предназначен для работы на «Байтах» с 48К ОЗУ, т.е. нерасширенных. Однако ничто не мешает поставить его на «Байт» со 128К ОЗУ, если в компьютере не менялось ПЗУ на расширенное (32К ПЗУ). Если же в компьютере 128К памяти и стоит ПЗУ со «128-м меню», то потребуется несложная доработка контроллера. Она обычно описана в сопроводительном листке к плате расширения памяти (суть доработки в том, чтобы исключить выбор ПЗУ с TR-DOS, когда активен 0-й банк ПЗУ со «128-м меню»).

Плата контроллера с зелёной маской. Дорожки на плате хилые, при нескольких перепайках контактные площадки отваливаются.

Контроллер дисковода Б-48 для компьютера «Байт»
Контроллер дисковода Б-48 для компьютера «Байт»
Контроллер дисковода Б-48 для компьютера «Байт»
Контроллер дисковода Б-48 для компьютера «Байт»
Контроллер дисковода Б-48 для компьютера «Байт»

В контроллере стоит узел защиты КР1818ВГ93 от пропадания напряжения питания +5В. Как известно, подача на КР1818ВГ93 напряжения питания +12В при отсутствии напряжения +5В гарантированно приводит к выгоранию микросхемы. Узел защиты собран на двух транзисторах:

Узел защиты КР1818ВГ93 от пропадания напряжения 5В
Узел защиты КР1818ВГ93 от пропадания напряжения 5В
Узел защиты КР1818ВГ93 от пропадания напряжения 5В

Иногда для экономии узел защиты не ставили, подавая 12В напрямую на КР1818ВГ93:

Контроллер дисковода Б-48 без узла защиты микросхемы КР1818ВГ93
Контроллер дисковода Б-48 без узла защиты микросхемы КР1818ВГ93
Контроллер дисковода Б-48 без узла защиты микросхемы КР1818ВГ93
Контроллер дисковода Б-48 без узла защиты микросхемы КР1818ВГ93
Контроллер дисковода Б-48 без узла защиты микросхемы КР1818ВГ93

В контроллере задействованы дополнительно три контакта системного разъёма, которые в «Байте» не используются:
C6 и C8 - для подключения кнопки MAGIC;
A5 - ROMCS1, выходной сигнал с контроллера, является инверсным к сигналу ROMCS (контакт B12 системного разъёма).

Схема контроллера разработана таким образом, чтобы при включении дать возможность запуститься Бейсику «Байта», где производится глушение музыкального синтезатора КР580ВИ53. При последующих нажатиях на кнопку «сброс» управление передаётся сразу напрямую системе TR-DOS.

Контроллер Б-128

Контроллер дисковода Б-128 для компьютера «Байт»

Контроллер дисковода Б-128 для компьютера «Байт»
Контроллер дисковода Б-128 для компьютера «Байт»
Контроллер дисковода Б-128 для компьютера «Байт»
Контроллер дисковода Б-128 для компьютера «Байт»
Контроллер дисковода Б-128 для компьютера «Байт»

Почти ничем не отличается по внешнему виду и по схеме от контроллера Б-48. Рассчитан на подключение к расширенным до 128К «Байтам». В отличие от Б-48 на системный разъём выведен отдельный контакт для подключения к расширенному ПЗУ (к 27-му выводу ПЗУ 27256 с прошивками BASIC-48 и BASIC-128). Дело в том, что ПЗУ с TR-DOS должно выбираться только тогда, когда активно ПЗУ с BASIC-48. Для этого используется контакт с расширенного ПЗУ. Когда активно ПЗУ с BASIC-48, на этом контакте лог.1, которая разрешает выборку ПЗУ с TR-DOS. Соответственно в контроллере убран автостарт TR-DOS по сбросу, т.к предполагается, что по сбросу мы попадаем в меню с BASIC-128, откуда можно выбрать TR-DOS.

Всё вышесказанное не означает, что к обычным 48-м «Байтам» этот контроллер не сможет быть подключен. Он будет работать и на них, только по сбросу будем попадать в BASIC, а не в TR-DOS, поэтому в TR-DOS надо будет входить вручную по команде RANDOMIZE USR 15616.

Точно так же, как и Б-48 в контроллере стоит защита ВГ93 от пропадания +5В, но не везде она ставилась (в целях экономии). На фотографиях выше узел защиты не смонтирован.

Контроллер B48-128

Контроллер дисковода B48-128 для компьютера «Байт»

Универсальный контроллер рассчитан на подключение как к обычным 48К-«Байтам», так и расширенным до 128К. В «Байтах» ПЗУ обычно на панели не устанавливались, поэтому чтобы при расширении памяти компьютера до 128К не ломать ПЗУ из платы (при установке ПЗУ с двумя бейсиками), дополнительное ПЗУ решено было устанавливать на самом контроллере дисковода. Сигнал с платы расширения памяти для выбора нужной страницы ПЗУ подаётся на незадействованный контакт C7 системного разъёма. Выбор режима работы контроллера осуществляется перемычкой на плате. При установленной перемычке контроллер может работать со 128К «Байтом», при этом в контроллер устанавливается ПЗУ 27C512 с прошивками BASIC48, BASIC128 и TR-DOS. При перерезанной перемычке контроллер может без каких-либо доработок компьютера подключаться к 48К «Байтам», при этом ПЗУ может быть как 27C512, так и 27C128 чисто с прошивкой TR-DOS (на фотографии изображён именно такой контроллер).

Контроллер дисковода B48-128 для компьютера «Байт»
Контроллер дисковода B48-128 для компьютера «Байт»
Контроллер дисковода B48-128 для компьютера «Байт»
Контроллер дисковода B48-128 для компьютера «Байт»
Контроллер дисковода B48-128 для компьютера «Байт»

Контроллер использует незадействованные контакты системного разъёма для ввода/вывода специфических сигналов.
На контакт A5 выводится сигнал блокировки IORQ (в «Байте» не используется);
На контакт С7 в компьютере при наличии платы расширения подаётся сигнал A14ROM (бит 4 порта #7FFD).

Из-за использования контакта C7 системного разъёма этот контроллер несовместим с первым контроллером дисковода, описанным на этой странице. Если на расширенный до 128К «Байт» с контроллером дисковода B48-128 попытаться поставить тот («неизвестный») контроллер, компьютер работать не будет. Сигнал A14ROM с компьютера будет «забивать» сигнал ROMCS на контроллере дисковода. Это лечится перерезанием дорожки, идущей к контакту C7 системного разъёма на «неизвестном» контроллере дисковода.

При использовании этого контроллера дисковода совместно с расширением «Байта» и с ПЗУ 27512, необходимо решить вопрос с глушением синтезатора КР580ВИ53 (почитать более подробно).

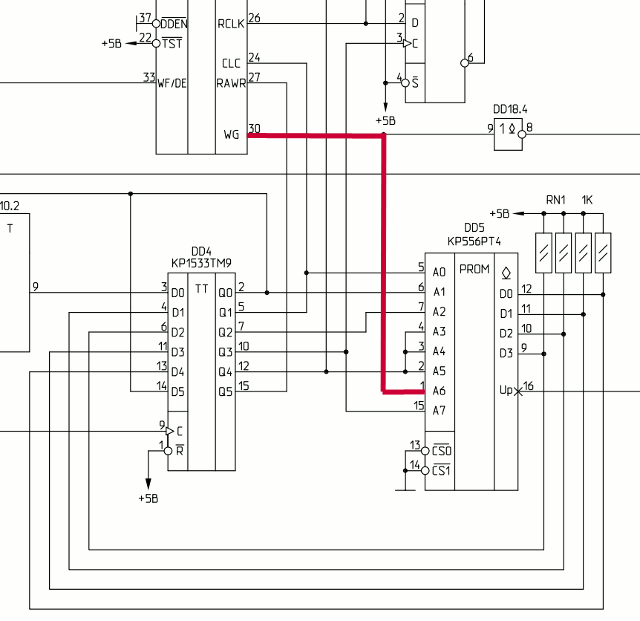
В одном из экземпляров контроллера B48-128 была обнаружена КР556РТ4 с прошивкой для турбирования ВГ93. Т.е. с этой прошивкой обеспечивается перемещение головки дисковода с удвоенной скоростью и более быстрое чтение информации с дискеты. Это ПЗУ РТ4 можно ставить в другие контроллеры дисковода, где система ФАПЧ выполнена по аналогичной схеме (например, предыдущий контроллер дисковода, или С-48).

КР556РТ4 с турбо-прошивкой для контроллера дисковода компьютера «Байт». Обратите внимание на вывод 3 микросхемы - он «висит в воздухе»
КР556РТ4 с турбо-прошивкой для контроллера дисковода компьютера «Байт». Обратите внимание на вывод 3 микросхемы - он «висит в воздухе»
КР556РТ4 с турбо-прошивкой для контроллера дисковода компьютера «Байт». Обратите внимание на вывод 3 микросхемы - он «висит в воздухе»

Но для этого потребуется доработка контроллера. Тот экземпляр контроллера B48-128 хоть и работает с прошивкой Турбо-ВГ, но есть нехорошие нюансы: проблема состоит в том, что если отформатировать на таком контроллере дискету, вставить её в другой спектрум и попробовать что-нибудь записать на неё, портится информация на диске. Об этом хорошо написано в электронном журнале Spectrofon #14. Дело в том, что переключать ВГ на частоту 1МГц нужно не во время записи (как это делается в том экземпляре контроллера B48-128), а до начала записи.

Вот так (к сожалению неверно) сделано в контроллере B48-128 с прошивкой Турбо-ВГ: 1-й вывод РТ4 подключен к сигналу WG КР1818ВГ93:

Фрагмент схемы контроллера дисковода B48-128

Поясню: логическим уровнем на 1-м выводе РТ4 переключается тактовая частота, подаваемая на ВГ93. При лог.1 на ВГ93 будет идти 1МГц, при лог.0 - на ВГ93 будет подаваться 2МГц.

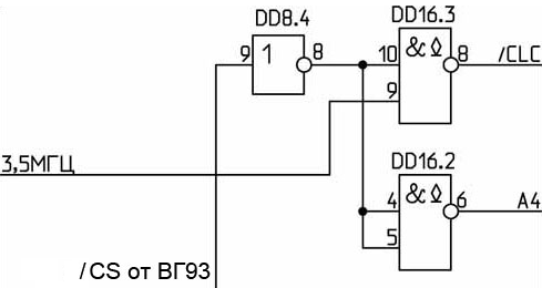
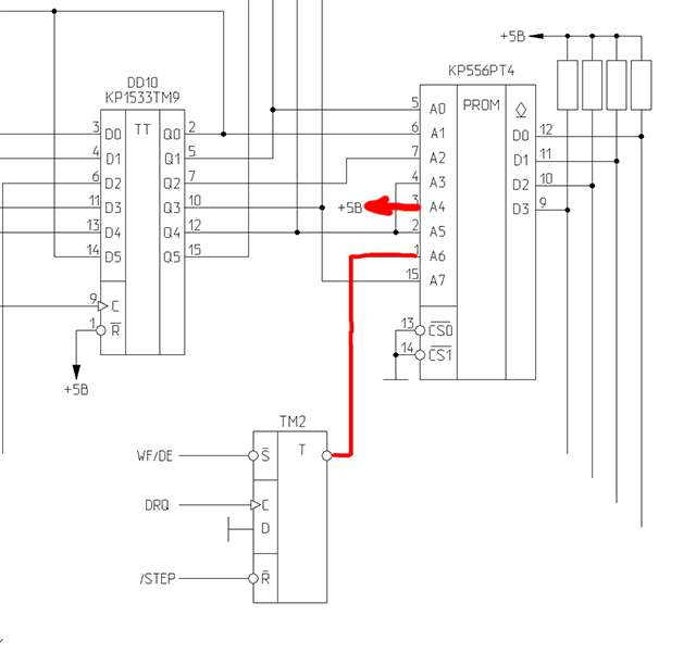
Для правильной работы РТ4 с прошивкой Турбо-ВГ нужно подать на 3-й вывод микросхемы +5В, а 1-й вывод микросхемы подключить к схеме на «половинке» ТМ2, т.е. потребуется установка дополнительной микросхемы КР1533ТМ2 в контроллер:

Правильное включение РТ4 с прошивкой Турбо-ВГ

Сигналы WF/DE и DRQ берутся прямо с ВГ93, а сигнал /STEP можно взять сразу с выхода элемента с открытым коллектором (для контроллера B48-128 это 4-й вывод DD18.2).

Контроллер BZ128

Сочетает в себе помимо самого контроллера дисковода ещё и музыкальный сопроцессор, интерфейс принтера LPRINT III и часть схемы для расширения памяти до 128К. При этом требуется доработка «Байта» (установка дополнительных микросхем памяти). Контроллеру для работы нужны дополнительные сигналы, которых нет на системном разъёме компьютра. Для этого используются свободные контакты системного разъёма. Ввиду наличия большого количества микросхем и ограниченных габаритов для упрощения разводки проводников контроллер собран на четырёхслойной печатной плате.

Контроллер дисковода BZ128 для компьютера «Байт»
Контроллер дисковода BZ128 для компьютера «Байт»
Контроллер дисковода BZ128 для компьютера «Байт»
Контроллер дисковода BZ128 для компьютера «Байт»
Контроллер дисковода BZ128 для компьютера «Байт»

Впрочем ничто не мешает установать этот контроллер в 48-й «Байт» без расширения - на плате контроллера находится переключатель, позволяющий выбирать при сбросе либо выход в TR-DOS, либо в меню-128. В случае работы установки контроллера на 48-й «Байт» переключатель должен находится в положении, обеспечивающем старт в TR-DOS, больше никаких доработок не требуется.

У контроллера есть одна не очень приятная особенность - тактовая частота музыкального сопроцессора равна не 1,75МГц, а 2МГц, из-за чего музыкальные композиции звучат по-иному, чем на «нормальном» Спектруме. Причиной тому является невозможность получения частоты 1,75МГц из 8МГц кварца, расположенного на плате контроллера. Этот недостаток обходится несложным путём - на плату контроллера допаивается микросхема КР1533ТМ2, которая делит тактовую частоту процессора на 2, получая нужные 1,75МГц. Фотография доработанного таким образом контроллера:

Доработанный контроллер дисковода BZ128 для компьютера «Байт»
Доработанный контроллер дисковода BZ128 для компьютера «Байт»
Доработанный контроллер дисковода BZ128 для компьютера «Байт»

Схема доработки находится в архиве с описанием контроллера.

К слову, музыкальный сопроцессор будет работать даже при подключении контроллера к нерасширенному до 128К «Байту».

Особенности схемотехники контроллеров дисковода для «Байта»

В «Байте» в системном разъёме отсутствует очень важный сигнал - блокировка IORQ. Для подключения контроллера дисковода этот сигнал жизненно необходим, потому что порты Beta Disk Interface «пересекаются» с портами «Байта», и поэтому порты последнего при работе контроллера дисковода надо отключать. Это и делается при помощи сигнала «блокировка IORQ». Конечно, можно спокойно вывести этот сигнал на системный разъём, но это требует вскрытия корпуса компьютера и вмешательства в схему. Теряется гарантия. Поэтому этот путь не годится.

Надо было придумать что-то иное, что не требовало бы никаких доработок компьютера. И разработчики «байтовских» контроллеров дисковода нашли выход, пусть сильно извращённый, но он работает. Возьмём в качестве примера кусок схемы контроллера B48-128:

Устранение конфликта контроллера дисковода с другими портами компьютера «Байт»

Когда контроллер дисковода неактивен, на 9DD8 находится лог.1. Элементы с открытым коллектором DD16.2 и DD16.3 закрыты (выходы их отключены). Если же идёт обращение к портам КР1818ВГ93 (при появлении на входе CS ВГ93 лог.0), на 9DD8 появляется лог.0, элемент DD16.3 открывается, на выходе появляется лог.0, который «подтормаживает» процессор на момент обращения к портам. Элемент DD16.2. тоже открывается, и принудительно «садит» своим выходом с открытым коллектором в лог.0 шину адреса A4 процессора. В результате на адресном дешифраторе «Байта» (DD69 - КР1533ИД7) принудительно отключается выбор порта #1F (31dec) на чтение. Именно порт Kempston-джойстика #1F в «Байте» конфликтует с контроллером дисковода.

Схема, приведенная выше, стоит на всех известных мне типах контроллеров дисковода для «Байта».

Другой вопрос при подключении контроллера дисковода - это глушение синтезатора КР580ВИ53 при первом включении компьютера. Для этого контроллеры дисковода сделаны так, что при первом включении компьютера происходит сброс в «байтовский» бейсик, где запускается подпрограмма глушения синтезатора, а уже при повторных нажатиях на кнопку «сброс», когда синтезатор заглушен, стартует TR-DOS.

Подключение контроллера дисковода к компьютеру «Байт»

Чтобы подключить контроллер дисковода к «Байту» достаточно вставить его в системный разъём. Иногда дело осложняется тем, что системный разъём изначально закрыт крышкой, и чтобы её снять приходилось разбирать компьютер, лишаясь при этом гарантии.

Загрушка системного разъёма компьютера «Байт»
Загрушка системного разъёма компьютера «Байт»
Загрушка системного разъёма компьютера «Байт»

Но нашлось решение - верх заглушки с системного разъёма аккуратно спиливается.

Спиленная загрушка системного разъёма компьютера «Байт»
Спиленная загрушка системного разъёма компьютера «Байт»
Спиленная загрушка системного разъёма компьютера «Байт»
Спиленная загрушка системного разъёма компьютера «Байт»
Спиленная загрушка системного разъёма компьютера «Байт»

Впрочем встречались «Байты», у которых заглушка вставляется внутрь самого разъёма, и её можно без всяких ухищрений просто снять:

Съёмная загрушка системного разъёма компьютера «Байт»
Съёмная загрушка системного разъёма компьютера «Байт»
Съёмная загрушка системного разъёма компьютера «Байт»

Впрочем можно было попробовать влезть внутрь компьютера не нарушая пломбы.

Компьютеры с заводскими номерами до 7600 не могут работать с контроллером дисковода, т.к. у них отсутствует сигнал ROMCS (контакт B12) на системном разъёме (управляя этим сигналом контроллер дисковода отключает ПЗУ компьютера и включает вместо него своё ПЗУ с системой TR-DOS).

Однако путём несложной доработки можно обеспечить работу таких компьютеров с контроллером дисковода (нужен был один провод и один резистор). Доработка делалась в мастерских или самим владельцем компьютера (в этом случае терялась гарантия).

Данная доработка в деталях описана в руководстве по эксплуатации КВУ:

   Для обеспечения работы ПЭВМ «Байт» с заводскими номерами
до 7600 включительно с КВУ, КВУ.01, КВУ.02 необходимо произ-
вести следующую доработку ПЭВМ «Байт»:
   1) снять верхнюю крышку с ПЭВМ и вынуть системную плату;
   2) подрезать (отсоединить от печатной платы) 6-ую ножку
микросхемы КР1533ИД7 (или К555ИД7), которая расположена между
процессором Z80A (или UA880) и ПЗУ К573РФ4Ф (или КР573РФ6А, или
2764);
   3) к этой ножке подпаять резистор с сопротивлением прибли-
зительно 3 КОм и провод, второй конец которого запаять на контакт
B12 системного разъёма. На 2-ой вывод резистора подать +5В (можно
подпаять его к 16-ой ножке этой же микросхемы);
   4) собрать ПЭВМ «Байт» в обратном порядке, не устанавливая
заглушку на системный разъём.
   Данная доработка производится мастерской по ремонту ПЭВМ «Байт»
   ПРИ САМОСТОЯТЕЛЬНОМ ПРОВЕДЕНИИ ДОРАБОТКИ ВЫ ЛИШАЕТЕСЬ ПРАВА
НА ГАРАНТИЙНОЕ ОБСЛУЖИВАНИЕ ПЭВМ «БАЙТ».

Вместе с контроллером дисковода и дисководом компьютер выглядит обычно так:

Компьютер «Байт» с контроллером дисковода
Компьютер «Байт» с контроллером дисковода
Компьютер «Байт» с контроллером дисковода
Компьютер «Байт» с контроллером дисковода
Компьютер «Байт» с контроллером дисковода
Компьютер «Байт» с контроллером дисковода
Компьютер «Байт» с контроллером дисковода

Иногда дисководы вставлялись в корпус, например, от дисковода компьютера МК-88. МК-88 производился в Минске как раз в те же годы, что и компьютер «Байт», так что запчастей от него сохранилось достаточно, в том числе корпуса от дисководов, которые как раз подходят для использования совместно с «Байтами»:

Корпус для дисковода от компьютера МК-88
Корпус для дисковода от компьютера МК-88
Корпус для дисковода от компьютера МК-88
Корпус для дисковода от компьютера МК-88
Корпус для дисковода от компьютера МК-88

Контроллеры дисковода от «Байта» отлично работают и с другими Спектрумами, в частности я неоднократно подключал их к «Ленинграду».

Подключение к компьютеру «Байт» контроллеров дисководов сторонних производителей

Ввиду отсутствия в «Байте» прямой блокировки портов Kempston-джойстика и КР580ВИ53 для подключения не-байтовских контроллеров дисковода к «Байту» потребуются дополнительные доработки компьютера. Об этом можно почитать хотя бы здесь.

Из не-байтовских контроллеров дисковода я успешно подключал C-48.

Документация по контроллерам дисковода для «Байта»

Контроллеры дисковода для «Байта»:
Контроллер дисковода Б-48Схема, фотография, расположение элементов на плате, информация по подключению
Контроллер дисковода Б-128Схема, фотография, расположение элементов на плате
Контроллер дисковода Б48-128Фотография, схема и расположение элементов на плате
Контроллер дисковода BZ128Схема, расположение элементов на плате, информация по подключению, прошивки ПЗУ
Контроллер дисковода (неопознанная модель)Фотография, схема и расположение элементов на плате
Контроллер дисковода (неопознанная модель №2)Фотография, схема и расположение элементов на плате
Прошивки ПЗУ:
Прошивка ПЗУ КР556РТ4 в узле ФАПЧ контроллера дисковода для компьютера «Байт»
Прошивка ПЗУ КР556РТ4 в узле ФАПЧ контроллера дисковода (для турбирования КР1818ВГ93)ВНИМАНИЕ! Для корректной работы прошивки требуется доработка контроллера дисковода. Более подробно читаем на странице с описанием контроллеров дисковода для Байтов.